Полевой транзистор

Мощный полевой транзистор (MOSFET) с каналом N-типа в SMD-корпусе, на материнской плате ПК.

Полево́й (униполя́рный) транзи́стор — полупроводниковый прибор, принцип действия которого основан на управлении электрическим сопротивлением токопроводящего канала поперечным электрическим полем, создаваемым приложенным к затвору напряжением.

Область, из которой носители заряда уходят в канал, называется истоком, область, в которую они уходят из канала, называется стоком, электрод, на который подается управляющее напряжение, называется затвором.

История создания полевых транзисторов

Схема полевого транзистора

В 1953 году Джордж Клемент Дейси и Ян Росс предложили и реализовали конструкцию полевого транзистора — с управляющим p-n-переходом.

Впервые идея регулировки потока основных носителей электрическим полем в транзисторе с изолированным затвором была предложена Лилиенфельдом в 1926—1928 годах. Однако трудности в реализации этой идеи на практике позволили создать первый работающий прибор только в 1960 году. В 1966 году Карвер Мид усовершенствовал эту конструкцию, шунтировав электроды такого прибора диодом Шоттки.

В 1977 году Джеймс Маккаллахем из Bell Labs установил, что использование полевых транзисторов может существенно увеличить производительность существующих вычислительных систем.

Классификация полевых транзисторов

Виды полевых транзисторов и их обозначение на принципиальных схемах

Полевые транзисторы классифицируют на приборы с управляющим p-n-переходом и с изолированным затвором, так называемые МДП («металл-диэлектрик-полупроводник»)-транзисторы, которые также называют МОП («металл-оксид-полупроводник»)-транзисторами, причём последние подразделяют на транзисторы со встроенным каналом и приборы с индуцированным каналом.

К основным параметрам полевых транзисторов причисляют: входное сопротивление, внутреннее сопротивление транзистора, также называемое выходным, крутизну стокозатворной характеристики, напряжение отсечки и некоторые другие.

Транзисторы с управляющим p-n-переходом

Рис. 1. Конструкция полевого транзистора с управляющим p-n-переходом и каналом n-типа
а) с затвором со стороны подложки;
b) с диффузионным затвором.
Сток-затворная характеристика (слева) и семейство стоковых характеристик (справа) полевого транзистора с затвором в виде p-n перехода и каналом n-типа.  {\displaystyle V_{GS}}  — напряжение затвор-исток;  {\displaystyle V_{DS}}  — напряжение сток-исток;  {\displaystyle I_{DS}}  — ток стока или истока;  {\displaystyle V_{P}}  — запирающее напряжение затвора, или напряжение отсечки.
Сток-затворная характеристика (слева) и семейство стоковых характеристик (справа) полевого транзистора с затвором в виде p-n перехода и каналом n-типа.
 — напряжение затвор-исток;
 — напряжение сток-исток;
 — ток стока или истока;
 — запирающее напряжение затвора, или напряжение отсечки.

Полевой транзистор с управляющим p-n-переходом[1] (англ. junction-gate field-effect transistor, JFET) — это полевой транзистор, в котором пластина из полупроводника, например, n-типа (Рис. 1), имеет на противоположных концах электроды (исток и сток), с помощью которых она включена в управляемую цепь. Управляющая цепь подключается к третьему электроду (затвору) и образуется область с другим типом проводимости, в примере на рисунке — p-типом.

Источник постоянного смещения, включенный во входную цепь, создаёт на единственном p-n-переходе обратное (запирающее) напряжение. Во входную цепь также включается и источник усиливаемого сигнала. При изменении входного напряжения изменяется обратное напряжение на p-n-переходе, в связи с чем меняется толщина обедненного слоя, то есть изменяется площадь поперечного сечения области в кристалле, через которую проходит поток основных носителей заряда. Эта область называется каналом.

Электроды полевого транзистора называются:

  • исток (англ. source) — электрод, из которого в канал входят основные носители заряда;
  • сток (англ. drain) — электрод, через который из канала уходят основные носители заряда;
  • затвор (англ. gate) — электрод, служащий для регулирования поперечного сечения канала.

Тип полупроводниковой проводимости канала может быть как n-, так и p-типа. По типу проводимости канала различают полевые транзисторы с n-каналом и р-каналом. Полярности напряжений смещения, подаваемых на электроды транзисторов с n- и с p-каналом, противоположны.

Управление током и напряжением на нагрузке, включённой последовательно к каналу полевого транзистора и источнику питания, осуществляется изменением входного напряжения, вследствие чего изменяется обратное напряжение на p-n-переходе, что ведёт к изменению толщины запирающего (обеднённого) слоя. При некотором запирающем напряжении площадь поперечного сечения канала станет равной нулю и ток через канал транзистора станет весьма малым.

Так как обратный ток p-n-перехода весьма мал, в статическом режиме или при низких рабочих частотах мощность, отбираемая от источника сигнала, ничтожно мала. При высоких частотах ток, отбираемый от источника сигнала, может быть значительным и идет на перезаряд входной ёмкости транзистора.

Таким образом, полевой транзистор по принципу управления током аналогичен электровакуумной лампе — триоду, но по виду сток-истоковых вольт-амперных характеристик близок к электровакуумному пентоду. При такой аналогии исток в полевом транзисторе подобен катоду вакуумного триода, затвор — сетке, сток — аноду. При этом существуют и отличия, например:

  • в транзисторе отсутствует катод, который требует подогрева;
  • любую из функций истока и стока может выполнять любой из этих электродов;
  • существуют полевые транзисторы как с n-каналом, так и с p-каналом, что используется при производстве комплементарных пар транзисторов.

От биполярного транзистора полевой транзистор отличается, во-первых, принципом действия: в биполярном транзисторе управление выходным сигналом производится входным током, а в полевом транзисторе — входным напряжением или электрическим полем. Во-вторых, полевые транзисторы имеют значительно большие входные сопротивления, что связано с обратным смещением p-n-перехода затвора в рассматриваемом типе полевых транзисторов. В-третьих, полевые транзисторы обладают низким уровнем шума (особенно на низких частотах) по сравнению с биполярными транзисторами, так как в полевых транзисторах нет инжекции неосновных носителей заряда и канал полевого транзистора может быть выполнен внутри полупроводникового кристалла. Процессы рекомбинации носителей в p-n-переходе и в базе биполярного транзистора, а также генерационно-рекомбинационные процессы на поверхности кристалла полупроводника порождают низкочастотные шумы.

Транзисторы с изолированным затвором (МДП-транзисторы)

Рис. 2. Устройство полевого транзистора с изолированным затвором.
a) — с индуцированным каналом, b) — со встроенным каналом

Полевой транзистор с изолированным затвором (англ. metal-oxide-semiconductor field-effect transistor, MOSFET) — это полевой транзистор, затвор которого электрически изолирован от канала слоем диэлектрика.

В кристалле полупроводника с относительно высоким удельным сопротивлением, который называют подложкой, созданы две сильнолегированные области с противоположным относительно подложки типом проводимости. На эти области нанесены металлические электроды — исток и сток. Расстояние между областями истока и стока может быть меньше микрона. Поверхность кристалла полупроводника между истоком и стоком покрыта тонким слоем (порядка 0,1 мкм) диэлектрика. Так как исходным полупроводником для полевых транзисторов обычно является кремний, то в качестве диэлектрика используется слой диоксида кремния SiO2, выращенный на поверхности кристалла кремния путём высокотемпературного окисления. На слой диэлектрика нанесён металлический электрод — затвор. Получается структура, состоящая из металла, диэлектрика и полупроводника. Поэтому полевые транзисторы с изолированным затвором часто называют МДП-транзисторами.

Входное сопротивление МДП-транзисторов может достигать 1010…1014 Ом (у полевых транзисторов с управляющим p-n-переходом 107…109), что является преимуществом при построении высокоточных устройств.

Существуют две разновидности МДП-транзисторов: с индуцированным каналом и со встроенным каналом.

В МДП-транзисторах с индуцированным каналом (рис. 2, а) проводящий канал между сильнолегированными областями истока и стока отсутствует и, следовательно, заметный ток стока появляется только при определённой полярности и при определённом значении напряжения на затворе относительно истока, которое называют пороговым напряжением (UЗИпор).

В МДП-транзисторах со встроенным каналом (рис. 2, б) у поверхности полупроводника под затвором при нулевом напряжении на затворе относительно истока существует инверсный слой — канал, который соединяет исток со стоком.

Изображённые на рис. 2 структуры полевых транзисторов с изолированным затвором имеют подложку с электропроводностью n-типа. Поэтому сильнолегированные области под истоком и стоком, а также индуцированный и встроенный канал имеют электропроводность p-типа. Если же аналогичные транзисторы созданы на подложке с электропроводностью p-типа, то канал у них будет иметь электропроводность n-типа.

МДП-транзисторы с индуцированным каналом

При напряжении на затворе относительно истока, равном нулю, и при подаче напряжения на сток, ток стока оказывается ничтожно малым. Он представляет собой обратный ток p-n-перехода между подложкой и сильнолегированной областью стока. При отрицательном потенциале на затворе (для структуры, показанной на рис. 2, а) в результате проникновения электрического поля через диэлектрический слой в полупроводник при малых напряжениях на затворе (меньших UЗИпор) у поверхности полупроводника под затвором возникает обеднённый основными носителями слой (эффект поля) и область объёмного заряда, состоящая из ионизированных нескомпенсированных примесных атомов. При напряжениях на затворе больших UЗИпор у поверхности полупроводника под затвором возникает инверсный слой, который является каналом p-типа, соединяющим исток со стоком. Поперечное сечение канала будет изменяться с изменением напряжения на затворе, соответственно будет изменяться и ток стока, то есть ток в цепи нагрузки и относительно мощного источника питания.

В связи с тем, что затвор отделён от подложки диэлектрическим слоем, ток в цепи затвора ничтожно мал, мала и мощность, потребляемая от источника сигнала в цепи затвора и необходимая для управления относительно большим током стока. Таким образом, МДП-транзистор с индуцированным каналом может производить усиление электромагнитных колебаний по напряжению и по мощности.

Принцип усиления мощности в МДП-транзисторах можно рассматривать с точки зрения передачи носителями заряда энергии постоянного электрического поля (энергии источника питания в выходной цепи) переменному электрическому полю. В МДП-транзисторе до возникновения канала почти всё напряжение источника питания в цепи стока падало на полупроводнике между истоком и стоком, создавая относительно большую постоянную составляющую напряжённости электрического поля. Под действием напряжения на затворе в полупроводнике под затвором возникает канал, по которому от истока к стоку движутся носители заряда — дырки. Дырки, двигаясь по направлению постоянной составляющей электрического поля, разгоняются этим полем и их энергия увеличивается за счёт энергии источника питания, в цепи стока. Одновременно с возникновением канала и появлением в нём подвижных носителей заряда уменьшается напряжение на стоке, то есть мгновенное значение переменной составляющей электрического поля в канале направлено противоположно постоянной составляющей. Поэтому дырки тормозятся переменным электрическим полем, отдавая ему часть своей энергии.

МДП-транзисторы со встроенным каналом

Рис. 3. Выходные статические характеристики (a) и сток-затворная характеристика (b) МДП-транзистора со встроенным каналом.
В данной схеме в качестве нелинейного элемента используется МДП транзистор с изолированным затвором и индуцированным каналом.

В связи с наличием встроенного канала в таком МДП-транзисторе (рис. 2, b), при подаче напряжения на сток, ток стока оказывается значительным даже при нулевом напряжении на затворе (рис. 3, b). Поперечное сечение и проводимость канала будут изменяться при изменении напряжения на затворе как отрицательной, так и положительной полярности. Таким образом, МДП-транзистор со встроенным каналом может работать в двух режимах: в режиме обогащения и в режиме обеднения канала носителями заряда. Эта особенность МДП-транзисторов со встроенным каналом отражается и на смещении выходных статических характеристик при изменении напряжения на затворе и его полярности (рис. 3).

Статические характеристики передачи (рис. 3, b) выходят из точки на оси абсцисс, соответствующей напряжению отсечки UЗИотс, то есть напряжению между затвором и истоком МДП-транзистора со встроенным каналом, работающего в режиме обеднения, при котором ток стока достигает заданного низкого значения.

Формулы расчёта в зависимости от напряжения Uзи

1. Транзистор закрыт

Пороговое значение напряжения МДП транзистора

2. Параболический участок.

-удельная крутизна передаточной характеристики транзистора.

3. Дальнейшее увеличение приводит к переходу на пологий уровень:

 — уравнение Ховстайна

МДП-структуры специального назначения

В структурах типа металл-нитрид-оксид-полупроводник (МНОП) диэлектрик под затвором выполняется двухслойным: слой оксида SiO2 и толстый слой нитрида Si3N4. Между слоями образуются ловушки электронов, которые при подаче на затвор МНОП-структуры положительного напряжения (28—30 В) захватывают туннелирующие через тонкий слой SiO2 электроны. Образующиеся отрицательно заряженные ионы повышают пороговое напряжение, причём их заряд может храниться до нескольких лет при отсутствии питания, так как слой SiO2 предотвращает утечку заряда. При подаче на затвор большого отрицательного напряжения (28…30 В), накопленный заряд рассасывается, что существенно уменьшает пороговое напряжение.

Структуры типа металл-оксид-полупроводник (МОП) с плавающим затвором и лавинной инжекцией (ЛИЗМОП) имеют затвор, выполненный из поликристаллического кремния, изолированный от других частей структуры. Лавинный пробой p-n-перехода подложки и стока или истока, на которые подаётся высокое напряжение, позволяет электронам проникнуть через слой окисла на затвор, вследствие чего на нём появляется отрицательный заряд. Изолирующие свойства диэлектрика позволяют сохранять этот заряд десятки лет. Удаление электрического заряда с затвора осуществляется с помощью ионизирующего ультрафиолетового облучения кварцевыми лампами, при этом фототок позволяет электронам рекомбинировать с дырками.

В дальнейшем были разработаны структуры запоминающих полевых транзисторов с двойным затвором. Встроенный в диэлектрик затвор используется для хранения заряда, определяющего состояние прибора, а внешний (обычный) затвор, управляемый разнополярными импульсами, — для ввода или удаления заряда на встроенном (внутреннем) затворе. Так появились ячейки, а затем и микросхемы флэш-памяти, получившие в наши дни большую популярность и составившие заметную конкуренцию жестким дискам в компьютерах.

Для реализации сверхбольших интегральных схем (СБИС) были созданы сверхминиатюрные полевые микротранзисторы. Они делаются с применением нанотехнологий с геометрическим разрешением менее 100 нм. У таких приборов толщина подзатворного диэлектрика доходит до нескольких атомных слоев. Используются различные, в том числе трехзатворные структуры. Приборы работают в микромощном режиме. В современных микропроцессорах корпорации Intel число приборов составляет от десятков миллионов до 2 миллиардов. Новейшие полевые микротранзисторы выполняются на напряженном кремнии, имеют металлический затвор и используют новый запатентованный материал для подзатворного диэлектрика на основе соединений гафния[2].

В последние четверть века бурное развитие получили мощные полевые транзисторы, в основном МДП-типа. Они состоят из множества маломощных структур или из структур с разветвлённой конфигурацией затвора. Такие ВЧ и СВЧ приборы впервые были созданы в СССР специалистами НИИ «Пульсар» В. В. Бачуриным (кремниевые приборы) и В. Я. Ваксембургом (арсенид-галлиевые приборы). Исследование их импульсных свойств было выполнено научной школой профессора В. П. Дьяконова (Смоленский филиал МЭИ). Это открыло область разработки мощных ключевых (импульсных) полевых транзисторов со специальными структурами, имеющих высокие рабочие напряжения и токи (раздельно до 500—1000 В и 50—100 А). Такие приборы нередко управляются малыми (до 5 В) напряжениями, имеют малое сопротивление в открытом состоянии (до 0,01 Ом) у сильноточных приборов, высокую крутизну и малые (в единицы-десятки нс) времена переключения. У них отсутствует явление накопления носителей в структуре и явление насыщения, присущее биполярным транзисторам. Благодаря этому мощные полевые транзисторы успешно вытесняют мощные биполярные транзисторы в области силовой электроники малой и средней мощности[3][4].

За рубежом в последние десятилетия стремительно развивается технология транзисторов на высокоподвижных электронах (ТВПЭ), которые широко используются в СВЧ устройствах связи и радионаблюдения. На основе ТВПЭ создаются как гибридные, так и монолитные микроволновые интегральные схемы. В основе действия ТВПЭ лежит управление каналом с помощью двумерного электронного газа, область которого создаётся под контактом затвора благодаря применению гетероперехода и очень тонкого диэлектрического слоя — спейсера[5].

Схемы включения полевых транзисторов

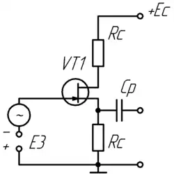
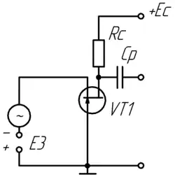
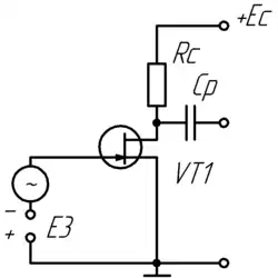
Полевой транзистор в каскаде усиления сигнала можно включать по одной из трех основных схем: с общим истоком (ОИ), общим стоком (ОС) и общим затвором (ОЗ).

Схема включения полевого транзистора с управляющим p-n-переходом и каналом n-типа с общим истоком
Схема включения полевого транзистора с управляющим p-n-переходом и каналом n-типа с общим стоком
Схема включения полевого транзистора с управляющим p-n-переходом и каналом n-типа с общим затвором

Практически в усилительных каскадах чаще всего применяется схема с ОИ, аналогичная схеме на биполярном транзисторе с общим эмиттером (ОЭ). Каскад с общим истоком даёт большое усиление по мощности. Но, с другой стороны, этот каскад наиболее низкочастотный из-за вредного влияния эффекта Миллера и существенной входной ёмкости затвор-исток (Сзи).

Схема с ОЗ аналогична схеме с общей базой (ОБ). В этой схеме ток стока равен току истока, поэтому она не даёт усиления по току, и усиление по мощности в ней во много раз меньше, чем в схеме ОИ. Каскад ОЗ обладает низким входным сопротивлением, в связи с чем он имеет специфическое практическое применение в усилительной технике. Преимущество такого включения — практически полное подавление эффекта Миллера, что позволяет увеличить максимальную частоту усиления и такие каскады часто применяются при усилении СВЧ.

Каскад с ОС аналогичен каскаду с общим коллектором (ОК) для биполярного транзистора — эмиттерным повторителем. Такой каскад часто называют истоковым повторителем. Коэффициент усиления по напряжению в этой схеме всегда немного меньше 1, а коэффициент усиления по мощности занимает промежуточное значение между ОЗ и ОИ. Преимущество этого каскада — очень низкая входная ёмкость и его часто используют в качестве буферного разделительного каскада между высокоомным источником сигнала, например, пьезодатчиком и последующими каскадами усиления. По широкополосным свойствам этот каскад также занимает промежуточное положение между ОЗ и ОИ.

Области применения полевых транзисторов

КМОП-структуры, строящиеся из комплементарной пары полевых транзисторов с каналами разного (p- и n-) типа, широко используются в цифровых и аналоговых интегральных схемах.

За счёт того, что полевые транзисторы управляются полем (величиной напряжения приложенного к затвору), а не током, протекающим через базу (как в биполярных транзисторах), полевые транзисторы потребляют значительно меньше энергии, что особенно актуально в схемах ждущих и следящих устройств, а также в схемах малого потребления и энергосбережения (реализация спящих режимов).

Выдающиеся примеры устройств, построенных на полевых транзисторах, — наручные электронные часы и пульт дистанционного управления для телевизора. За счёт применения КМОП-структур эти устройства могут работать до нескольких лет от одного миниатюрного источника питания — батарейки или аккумулятора, потому что практически не потребляют энергии.

В настоящее время полевые транзисторы находят всё более широкое применение в различных радиоустройствах, где с успехом заменяют биполярные. Их применение в радиопередающих устройствах позволяет увеличить частоту несущего сигнала, обеспечивая такие устройства высокой помехоустойчивостью. Обладая низким сопротивлением в открытом состоянии, находят применение в оконечных каскадах усилителей мощности звуковых частот высокой мощности (Hi-Fi), где с успехом заменяют биполярные транзисторы и электронные лампы. Биполярные транзисторы с изолированным затвором (IGBT) — приборы, сочетающие биполярные и полевые транзисторы, — находят применение в устройствах большой мощности, например в устройствах плавного пуска, где успешно вытесняют тиристоры.

Схемы

См. также

Примечания

Литература

  • Дьяконов В. П. Intel. Новейшие информационные технологии. Достижения и люди. М.: СОЛОН-Пресс, 2004. — 416 с. — ISBN 5980031499.
  • Бачурин В. В., Ваксембург В. Я., Дьяконов В. П. и др. Схемотехника устройств на мощных полевых транзисторах: Справочник / Дьяконов В. П.. М.: Радио и связь, 1994. — 280 с.
  • Дьяконов В. П., Максимчук А. А., Ремнев А. М., Смердов В. Ю. Энциклопедия устройств на полевых транзисторах / Дьяконов В. П.. М.: СОЛОН-Р, 2002. — 512 с.
  • Li, Sheng S. Semiconductor Physical Electronics. — Second Edition. — Springer, 2006. — 708 с. — ISBN 978-0-387-28893-2.
  • Немчинов В. М., Никитаев В. Г., Ожогин М. А. и др. Усилители с полевыми транзисторами / Степаненко И. П.. М.: Советское радио, 1980. — 192 с.