Диодный мост
![]() | ![]() |

Дио́дный мост — электрическое устройство, электрическая схема для преобразования («выпрямления») переменного тока в пульсирующий (постоянный). Выпрямление с помощью диодного моста называется двухполупериодным[2].
Существуют однофазные и многофазные мосты. Однофазный мост выполняется по мостовой схеме Гретца. Изначально в ней использовались электровакуумные диоды и эта схема считалась сложным и дорогим решением, вместо неё обычно применялась схема Миткевича, в которой вторичная обмотка трансформатора имеет средний вывод[3]. Сейчас, когда полупроводниковые диоды стали дешевле, и доступны практически всем, в большинстве случаев применяется мостовая схема, за исключением применяемой в некоторых низковольтных выпрямителях схемы Миткевича, имеющей при прочих равных больший КПД[4].
Вместо диодов в схеме могут применяться выпрямительные вентили любых типов — например селеновые выпрямители, ртутные вентили и другие, принцип действия схемы от этого не изменяется.
Также в плечах моста применяют управляемые вентили, например, тиристоры или игнитроны, при этом возможно управление выходным напряжением выпрямителя с помощью фазоимпульсного управления управляемыми вентилями.
История

Схема выпрямительного моста (рисунок 4) была изобретена польским электротехником Каролем Поллаком и запатентована в декабре 1895 года в Великобритании[5], и в январе 1896 года в Германии[6][7].
В 1897 году немецкий физик Лео Гретц независимо от предшественников изобрел и опубликовал описание аналогичной схемы[8][9][10][11]. Публикация Гретца стала широко известной электротехникам того времени, поэтому эту схему и сейчас часто называют схемой Гретца или мостом Гретца[12].
В 1924 году советский электротехник А. Н. Ларионов изобрёл мостовую схему двухполупериодного выпрямителя трёхфазного тока, названную его именем[13].
Принцип работы выпрямительных мостов

![]() | ![]() |
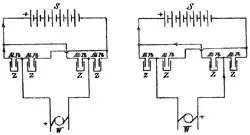
Однофазный мост (схема Гретца)
На вход () моста подаётся переменное напряжение, не обязательно синусоидальное. В одном из полупериодов (на рисунке 5 слева) открыты два диода в противоположных плечах моста и ток проходит только через эти 2 диода, а 2 других в другой паре противоположных плеч при этом заперты. На другом полупериоде (на рисунке 5 справа) открываются два других диода и другая пара диодов запирается. В нагрузке ток в обоих полупериодах течёт в одном направлении, — диодный мост преобразует переменный ток в пульсирующий постоянный[14].
Так как с нагрузкой всегда последовательно включены 2 диода, на каждом из которых в открытом состоянии падает часть входного напряжения то максимальное пульсирующее напряжение на нагрузке всегда меньше амплитуды входного напряжения на удвоенное прямое падение напряжения на диоде. Амплитуда переменного напряжения больше эффективного напряжения в раз:
Величина падения напряжения на одном диоде зависит от полупроводникового материала и типа диода Так, например, у кремниевых диодов с p-n-переходом прямое падение при малых токах через диод составляет ≈0,6 В при токах близких к предельно-допустимому для конкретного прибора ≈1 В. У германиевых диодов и диодов Шоттки ≈0,3 В (≈0,6 В) и ≈0,2 В (≈0,4 В) соответственно. Потери энергии, вызванные прямым падением напряжения на диодах снижают КПД выпрямителя, особенно это снижение существенно при выпрямлении низких напряжений. Например, источник питания с диодным мостом на кремниевых диодах с p-n-переходом на 5 В и током 10 А (выходная мощность 50 Вт) будет иметь КПД не более 70 %. Поэтому в низковольтных сильноточных выпрямителях применяют в основном диоды Шоттки или схемы активного выпрямления с помощью активных управляемых ключей, например, мощных полевых транзисторов.
Частота пульсаций выпрямленного напряжения равна удвоенной частоте питающего переменного напряжения :
Средний ток через любой диод при среднем токе нагрузки [15]:
Далее формулы приведены в предположении, что прямое падение на диодах равно 0.
Размах пульсаций (разность напряжений между максимальным и минимальным значениями) на выходе моста без сглаживающего ёмкостного фильтра:
Максимальное обратное напряжение на диоде при работе моста на ёмкостную нагрузку[15]:
Среднее значение выпрямленного напряжения:
Трёхфазный мост (схема Ларионова)


В этой схеме (рисунок 8) при изменении фазных напряжений открываются последовательно по паре диодов — один из верхней по рисунку 8 группы и один — из нижней.
Так как диоды открываются как на верхней части синусоидального фазного напряжения так и на нижней части этих синусоидальных напряжений трёх фаз, сдвинутых относительно друг друга на 120°, частота пульсаций выпрямленного напряжения в 6 раз больше частоты питающего трёхфазного переменного напряжения
В каждый момент открыты по 2 диода и в схеме 3 пары диодов, поэтому средний ток через любой диод при среднем токе нагрузки [15]:
Обычно выпрямитель по схеме Ларионова питают переменным напряжением от источника, включенного по схеме «звезда», но также возможно её питание от источника, включённого по схеме «треугольник».
Выходное напряжение схемы Ларионова при питании от трёхфазного источника типа «звезда» с фазными напряжениями с амплитудами в пренебрежении прямого падения напряжения на диодах (полагая их нулевыми, далее формулы приведены в предположении нулевого падения на диоде в открытом состоянии) равна:
то есть, в раз больше, чем в однофазной схеме с мостом Гретца, это вызвано тем, что некоторое время в течение периода два фазных напряжения включены последовательно.
Размах пульсаций (разность напряжений между максимальным и минимальным значениями) на выходе схемы Ларионова без сглаживающего ёмкостного фильтра:
Таким образом, размах пульсаций в этой схеме составляют около 14 % от значения выпрямленного напряжения, что позволяет питать многие некритичные к пульсациям потребители постоянного тока без применения сглаживающего фильтра.
Среднее значение выпрямленного напряжения:
Максимальное обратное напряжение на диоде при работе на ёмкостной фильтр[15]:
Преимущества выпрямительных мостов
Двухполупериодное выпрямление с помощью моста (по сравнению с однополупериодным) имеет преимущества:
- на выходе моста напряжение имеет повышенную частоту пульсаций, что упрощает фильтры пульсаций;
- во вторичной обмотке трансформатора, питающей мост, отсутствует постоянный ток подмагничивания, что облегчает режим работы трансформатора и снижает его необходимые размеры;
- увеличивает коэффициент использования габаритной мощности трансформатора (для однополупериодного выпрямителя он составляет около 0,45, так как в однополупериодном выпрямителе через нагрузку протекает только один полупериод переменного тока), что позволяет сделать габариты его магнитопровода меньшего сечения.
Недостатки выпрямительных мостов
- При работе происходит двойное падение напряжения на диодах по сравнению с однополупериодным выпрямлением (прямое напряжение на кремниевых диодах не менее 0,65 × 2 ≈ 1,3 В), это нежелательно в низковольтных схемах.
- Также удваиваются потери энергии, рассеиваемой в виде тепла, на диодах, что снижает КПД мощных низковольтных (напряжение в несколько вольт) выпрямителей. Частично этот недостаток может быть преодолён за счет использования диодов Шоттки с малым прямым падением напряжения или применением синхронных активных выпрямителей. Меньшими потерями энергии при низковольтном выпрямлении большой мощности обладает двухполупериодный выпрямитель со средней точкой, в котором ток в каждом полупериоде протекает не через два последовательно включённых диода, а через один диод.
- При выходе из строя одного из диодов (обрыве) схема превращается в однополупериодный выпрямитель, что может быть сразу не замечено, и в устройстве будет скрытый дефект, ухудшающий параметры.
Выпрямители на диодных мостах

— ёмкость конденсатора фильтра;
— ток нагрузки;
— сопротивление нагрузки;
— напряжение холостого хода моста при отключённом конденсаторе фильтра;
— напряжение на нагрузке;
— размах пульсаций напряжения на нагрузке;
— период пульсаций;
— ток моста.
Выходное напряжение выпрямителей переменного напряжения принципиально является пульсирующим. Многие потребители выпрямленного тока некритичны к пульсациям, например, электродвигатели постоянного тока, электрохимические потребители — электролизные ячейки, аккумуляторы при заряде и другие устройства, но большинство потребителей требует питания с минимальными пульсациями или их отсутствии.
Пульсации на выходе выпрямителя характеризуют коэффициентом пульсаций :
- где — сумма гармоник пульсаций,
- — среднее выпрямленное напряжение выпрямителя.
Обычно используют абсолютный коэффициент пульсаций:
- где — размах пульсаций.
Выпрямленное напряжение мостом Гретца имеет размах пульсаций равный амплитуде переменного напряжения:
и
Для сглаживания пульсаций используются фильтры. Простейший фильтр — конденсатор, включённый параллельно нагрузке — потребителю постоянного тока (рисунок 10.). Конденсатор фильтра запасает энергию (заряжается) импульсами тока на вершинах импульсов пульсаций и отдаёт её в нагрузку при провалах выходного напряжения моста, вызванного пульсациями. Скорость разряда конденсатора с ёмкостью при токе нагрузки в провалах от пульсаций:
В результате сглаживающего действия конденсатора размах пульсаций уменьшается, спад напряжения на конденсаторе в промежутках между импульсами заряда на вершинах пульсаций, здесь упрощённо считается, что длительность импульса заряда конденсатора много меньше длительности полупериода переменного напряжения:
- где — период пульсаций,
- — частота пульсаций,
- — ёмкость фильтра,
- — ток нагрузки,
- — размах пульсаций напряжения на нагрузке.
Практически для получения фильтрации пульсаций также применяют и более сложные фильтры, например, многозвенные RC-фильтры или LC-фильтры с дросселем. При высоких требованиях к снижению пульсаций на выходе ёмкостного или другого пассивного фильтра устанавливают линейные или импульсные стабилизаторы напряжения.
Электрические и эксплуатационные параметры
Далее приведены широко принятые сокращённые обозначения параметров, разные изготовители могут применять иные обозначения. Например, в русскоязычной литературе часто обозначают или и др.
Предельно-допустимые параметры
Это параметры, превышение которых недопустимо, даже кратковременное превышение этих параметров может привести к катастрофическому отказу прибора или деградации его параметров. Работа при параметрах ниже предельно-допустимых гарантирует безотказную работу прибора. Как правило, надёжность прибора снижается при его эксплуатации в режимах, приближающихся к предельно-допустимым.
- (В) — максимальное повторяющееся рабочее напряжение — предельное переменное амплитудное напряжения, подаваемое на мост.
- (В) — максимальное импульсное напряжение — предельное кратковременно подаваемое напряжение, допустимая длительность импульса обычно указывается в спецификации.
- (А) — максимальный средний выпрямленный ток. Указывается при оговорённой температуры корпуса, или даётся зависимость его от температуры. При повышении температуры этот ток приблизительно линейно уменьшается и при предельной температуре равен нулю.
- (А) — максимальный повторяющийся выпрямленный ток.
- (А) — максимальный импульсный выпрямленный ток, иногда называемый ударным прямым током, допустимая длительность импульса обычно указывается в спецификации для длительности равной половине периода промышленной частоты (10 мс для частоты 50 Гц; 8,3 мс для частоты 60 Гц).
- (А2·с) — защитный фактор, характеризует стойкость прибора к импульсным перегрузкам — это предельное значение интеграла от квадрата неповторяющегося импульсного прямого тока диода за оговорённую длительность одного импульса, обычно — длительность половины периода переменного напряжения.
- (°С) — предельная рабочая температура полупроводникового p-n-перехода.
- или (°С) — предельная температура хранения.
- (Вт) — предельная рассеиваемая тепловая мощность.
Основные параметры
Эти параметры учитываются при проектировании и расчётах выпрямителей и для выбора прибора для конкретного применения:
- (В) — прямое падение напряжение на приборе в открытом состоянии, обычно указывается для предельно-допустимого среднего прямого тока.
- (А или мкА) — максимальный обратный ток, обычно указывается для максимальной рабочей температуры и предельно-допустимого обратного напряжения.
- (кГц) — максимальная рабочая частота или частота, на которой средний выпрямленный ток снижается в раз. Разные изготовители могут применять и иные критерии максимальной рабочей частоты.
- (°С/Вт) — тепловое сопротивление полупроводниковые переходы — окружающий воздух.
- (°С/Вт) — тепловое сопротивление полупроводниковые переходы — корпус.
Для высокочастотных и импульсных диодных мостов иногда в спецификации указывают дополнительные параметры:
- (мкс) — максимальное время обратного восстановления — время переключения диода с заданного прямого тока на заданное обратное напряжение от момента прохождения тока через нулевое значение до момента достижения обратным током оговорённого значения — время, в течение которого обратный ток спадает до указанного значения.
- (пФ) — электрическая ёмкость в запертом состоянии, обычно указывается для заданного обратного напряжения.
- (Кл, пКл) — заряд переключения — заряд неосновных носителей, накопленный в полупроводниковой структуре при протекании прямого указанного тока.
Иные применения диодных мостов
Помимо использования в качестве выпрямителя переменного напряжения в источниках питания, диодные мосты применяются для защиты от ошибочного подключения с неверной полярностью потребителя к источнику питания постоянного тока. При этом потребитель подключается в диагональ диодного моста к выводам «» и «», а источник постоянного напряжения к выводам «», при этом при любой полярности подключения источника питания гарантирована правильная полярность питания потребителя. Недостаток такого решения — напряжение на потребителе будет меньше напряжения источника питания на двойное прямое падение напряжения на диоде, при использовании кремниевых диодов с p-n-переходом это от 1,3 В при малых токах нагрузки до 2 и более вольт при больших токах нагрузки.

Другое применение — управление переменным напряжением с помощью активного элемента, не допускающего работы при другой полярности приложенного напряжения, например, полевого мощного транзистора с изолированным затвором (рисунок 11). В этой схеме активный прибор включен в диагональ «» — «» моста, а нагрузка, мост и источник переменного напряжения включены последовательно. Напряжение на управляющем приборе не изменяет полярность на обоих периодах переменного напряжения.
В диагональ моста «» — «» может быть включён любой другой двухполюсник с нелинейной вольт-амперной характеристикой (ВАХ). При этом двухполюсник, образованный между выводами моста «» будет иметь симметричную ВАХ. Например, при таком включении одноанодного несимметричного стабилитрона образуется электрический аналог симметричного двуханодного стабилитрона, преимущество такого решения по сравнению с обычным двуханодным стабилитроном — высокое равенство напряжения стабилизации на разнополярных ветвях ВАХ и малая паразитная емкость, определяемая в основном собственной ёмкостью запертых диодов моста, такие схемы иногда применяются для стабилизации амплитуды и формы напряжения в генераторах синусоидального напряжения с мостом Вина[16].
Также быстродействующие диодные мосты применяются в ключевых схемах, например, в устройствах выборки-хранения, например в стробоскопических осциллографах. В этой схеме источником постоянного напряжения, включённого в диагональ моста «» и «» диоды моста при отсутствии стробирующего импульса заперты, строб-импульс открывает все 4 диода моста, подаваемый на выводы «» и «», подключает источник сигнала, включённый к одному из выводов «», к запоминающему конденсатору схемы выборки-хранения, который подключен к другому выводу «» моста. В силу принципа транслинейности такое применение линеаризует передаточную характеристику ключевой схемы.
Конструкция

Мосты могут быть собраны из отдельных дискретных диодов и могут быть выполнены в виде однокорпусного изделия (диодные сборки).
Промышленностью выпускается очень широкая номенклатура диодных мостов на разные предельно-допустимые напряжения и токи, в разнообразных корпусах для навесного монтажа и поверхностного монтажа на печатные платы с осевыми и планарными выводами.
Однокорпусное исполнение при обычном применении предпочтительнее — дешевле, меньше по объёму. Диоды в высоковольтных сборках в ней подобраны изготовителем и имеют близкие предельно-допустимые параметры и значение обратного тока и при работе находятся в практически одинаковом тепловом режиме. Кроме того, однокорпусную сборку проще монтировать в устройства.
Недостаток однокорпусного исполнения — при отказе одного из диодов в сборке приходится заменять весь компонент, в мостах из дискретных диодов заменяется только отказавший диод.
При выпрямлении больших токов диоды выделяют много тепла, поэтому в этом случае могут применяться дискретные диоды средней или большой мощности, устанавливаемые на теплоотвод. Также конструкции некоторых мощных диодных сборок предусматривают их установку на теплоотвод.
Маркировка
- В СССР и России
- Первая группа — буква или цифра указывает полупроводниковый материал:
- Вторая группа — буква
- Ц — диодный мост.
- Третья группа:
- 2, 3 или 4 цифры — порядковый номер разработки данного типа моста.
- Четвёртая группа — дополнительная буква, конкретизирующая параметры, обычно предельное рабочее напряжение.
- Примеры: КЦ407, КЦ405.
- Маркировки зарубежных изготовителей
Стандартной маркировки диодных мостов у зарубежных изготовителей не существует, каждый производитель самостоятельно присваивает наименования своим приборам. Например, первые буквы в маркировке разных изготовителей могут быть DB, W, KBPC, MB, RC, QL и другие с добавление букв или цифр[17].
См. также
Примечания
- ↑ http://docs.cntd.ru/document/1200006618 Архивная копия от 21 июля 2020 на Wayback Machine ГОСТ 2.730-73 Единая система конструкторской документации. Обозначения условные графические в схемах. Приборы полупроводниковые.
- ↑ Однополупериодным выпрямителем называется схема выпрямления только одного полупериода входного переменного напряжения. В однофазной цепи это схема с одним диодом, в трёхфазной цепи типа «звезда» — это схема с тремя диодами, каждый из которых включён в одну из трёх фаз.
- ↑ Хоровиц П., Хилл У. Искусство схемотехники: В 2-х томах = The Art of Electronics: Second Edition (© Cambridge University Press, 1980) / Пер. с англ. под ред. М. В. Гальперина, редакторы: Н. В. Серёгина, Ю. Л. Евдокимова. — М.: Мир, 1983. — т. 1: 568 с., т. 2: 590 с. — 50 000 экз.
- ↑ Исключение составляют сильноточные низковольтные выпрямители, которые для повышения КПД обычно строятся по схеме с питанием от трансформатора от обмотки со средней точкой.
- ↑ British patent 24398 Архивная копия от 12 марта 2020 на Wayback Machine.
- ↑ (Graetz, 1897), p. 327 footnote. Дата обращения: 30 октября 2020. Архивировано 8 марта 2021 года.
- ↑ (Editorial staff) (24 июня 1897). Ein neues Gleichrichter-Verfahren [A new method of rectification]. Elektrotechnische Zeitschrift (нем.). 18 (25): 359 and footnote. Архивировано 8 марта 2021. Дата обращения: 30 октября 2020.
- ↑ Graetz, L. (1 мая 1897). Electrochemisches Verfahren, um Wechselströme in Gleichströme zu verwandeln [Electrochemical method of changing alternating into direct currents]. Sitzungsberichte der Mathematisch-Physikalischen Classe der Königlich Bayerischen Akademie der Wissenschaften zu München (Transactions of the Mathematical-Physical Classes of the Royal Bavarian Academy of Sciences in Munich) (нем.). 27: 223–228.
- ↑ Graetz, L. (1897). Electrochemisches Verfahren, um Wechselströme in Gleichströme zu verwandeln [Electrochemical method of changing alternating into direct currents]. Annalen der Physik und Chemie. 3rd series (нем.). 62: 323–327. Архивировано 8 марта 2021. Дата обращения: 30 октября 2020.
- ↑ Graetz, Leo (22 июля 1897). Electrochemisches Verfahren, um Wechselströme in Gleichströme zu verwandeln [Electrochemical method of changing alternating into direct currents]. Elektrotechnische Zeitschrift (нем.). 18 (29): 423–424. Архивировано 9 марта 2021. Дата обращения: 30 октября 2020.
- ↑ Strzelecki, R. Power Electronics in Smart Electrical Energy Networks Архивная копия от 30 мая 2019 на Wayback Machine. Springer, 2008, p. 57.
- ↑ Graetz Flow Control Circuit. Архивировано 4 ноября 2013 года.
- ↑ Шустов М. А. История электричества. — М., Берлин: Директ-Медиа, 2019. — 568 с. — ISBN 978-5-4475-9841-9.
- ↑ Bridge Rectifier Circuit - Electronics Basics. The Geek Pub. Дата обращения: 3 сентября 2019. Архивировано 27 ноября 2020 года.
- 1 2 3 4 Источники электропитания на полупроводниковых приборах. Проектирование и расчет. / Под ред. Додика С. Д. и Гальперина Е. И.. — М.: Советское радио, 1969. — 448 с. — 55 000 экз. экз.
- ↑ Алексенко А. Г., Коломбет Е А., Стародуб Г. И. . — М.: Радио и связь, 1981. — 224 с.
- ↑ Диодные мосты импортные.
Ссылки
- Выпрямительные диоды, диодные мосты и области их применения Архивная копия от 4 июля 2013 на Wayback Machine
- Справочник по диодным мостам Архивная копия от 24 августа 2007 на Wayback Machine
- Маркировка и обозначение радиоэлементов (Справочник) В. В. Мукосеев, И. Н. Сидоров, 2001 г. Архивная копия от 19 июня 2008 на Wayback Machine



