SNOW (шифр)
SNOW — словоориентированный синхронный поточный шифр, разработанный Лундском университете (Швеция). На данный момент у него существует 3 модификации: SNOW 2.0, SNOW 3G, SNOW-V. SNOW 3G используется для безопасной передачи мобильных данных.
История
SNOW 1.0, первоначально просто SNOW[1], был разработан в 2000 году. Шифр работает с 32-битными словами и поддерживает как 128-, так и 256-битные ключи. Шифр состоит из комбинации регистра сдвига с линейной обратной связью (РСЛОС) и конечного автомата (КА).
В первой версии были обнаружены слабые места[2], и в результате SNOW не был включен в набор алгоритмов NESSIE. В 2003 году авторы разработали новую версию шифра SNOW 2.0[3], в которой устранили недостатки и улучшили производительность. Во время оценки группой экспертов по безопасным алгоритмам (англ. SAGE) из Европейского института телекоммуникационных стандартов(англ. ETSI)[4] алгоритм шифрования был дополнительно изменён, чтобы повысить его устойчивость к алгебраическим атакам. Результатом таких улучшений в 2006 году стала модификация шифра SNOW 3G[5][6].
В 2019 году Ericsson Research совместно с Лундским университетом пересмотрели алгоритм SNOW 3G и обновили его до нового, более быстрого шифра под названием SNOW-V[7], который может быть использован для безопасной передачи данных в новом поколении связи 5G.
Схема работы SNOW
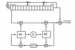
Общая схема работы

Генератор состоит из регистра сдвига с линейной обратной связью длины 16 над полем . Выход регистра подается на вход конечного автомата. КА состоит из двух 32-битных регистров, называемых R1 и R2, а также некоторых операций для вычисления вывода и следующего состояния (следующего значения R1 и R2). Работа шифра выглядит следующим образом. Сначала выполняется инициализация ключа. Эта процедура обеспечивает начальные значения для РСЛОС, а также для регистров R1, R2 в конечном автомате. Затем первые 32 бита ключевого потока вычисляются путем поразрядного сложения выходных данных КА и последней записи РСЛОС. После этого весь процесс синхронизируется, и следующие 32 бита ключевого потока вычисляются путем ещё одного побитового сложения выходных данных конечного автомата и последней записи РСЛОС. Мы снова синхронизируем и продолжаем в том же духе.[2]
Детальная схема работы
В начальный момент времени t = 0 происходит инициализация регистра сдвига 32-битными значениями , которые задаются при помощи сгенерированного ключа.
Функция обратной связи для регистра задается многочленом:
где задаётся неприводимым многочленом
- ,
над и .
Выход КА назовем . Он рассчитывается по следующей формуле:
- ,
где — целочисленное сложение по.
Выход конечного автомата сравнивается с по модулю 2 для формирования потокового ключа, то есть
- ,
где — сложение по.
Внутри конечного автомата новые значения для R1 и R2 присваиваются по следующим формулам:
- ,
где — циклический сдвиг влево
Наконец, S-блок, обозначаемый , состоит из четырёх идентичных битовых S-блоков 8×8 и перестановки полученных битов. Входные данные разделены на 4 байта, каждый байт входит в нелинейное отображение от 8 бит до 8 бит. После этого отображения биты в результирующем слове переставляются, чтобы сформировать окончательный результат S-блока[1].
Для конечного формирования шифртекста потоковый ключ сравнивается с открытым текстом по модулю 2.
Известные атаки
- В феврале 2002 года Филипп Хоукс и Грегори Роуз описали атаку «Предполагай и определяй» (англ. англ. Guess and determine attack) на SNOW 1.0, в котором используются в основном два свойства, чтобы снизить сложность атаки ниже исчерпывающего поиска ключей. Во-первых, тот факт, что автомат имеет только один вход s(1). Это позволяет злоумышленнику инвертировать операции в конечном автомате и получать больше неизвестных только из нескольких предположений. Второе свойство — неудачный выбор полинома обратной связи в SNOW 1.0[8].
- В августе 2003 года Даи Ватанабе, Алекс Бирюков и Кристоф Де Канньер описали атаку на SNOW 2.0 методом линейной маскировки. Эта атака использует битов потока и шагов анализа, что быстрее, чем исчерпывающий поиск 256-битного ключа[9].
Применение
SNOW 2.0 — один из потоковых шифров, вошедших в стандарт шифрования ISO/IEC ISO/IEC 18033-4[10], который определяет функции вывода для объединения ключевого потока с открытым текстом, генераторы ключевого потока для создания ключевого потока и идентификаторы объектов, назначенные выделенным генераторам ключевого потока в соответствии с ISO/IEC 9834 для поточных шифров.
SNOW 3G[6]выбран в качестве генератора потоковых ключей для алгоритмов шифрования 3GPP UEA2 и UIA2[11].
Примечания
- 1 2 Patrik Ekdahl, Thomas Johansson. SNOW-a new stream cipher : [англ.] : [арх. 19 октября 2020] // Proceedings of first open NESSIE workshop, KU-Leuven. — 2000. — 13 November. — P. 167—168.
- 1 2 Patrik Ekdahl, Thomas Johansson. A New Version of the Stream Cipher SNOW : [англ.] : [арх. 21 января 2022] // Springer. — 2003. — Vol. 2595. — P. 47—61. — ISSN 0302-9743.
- ↑ O. Billet, H. Gilbert. Resistance of SNOW 2.0 Against Algebraic Attacks : [англ.] : [арх. 21 января 2022] // Springer. — 2005. — Vol. 3376. — P. 19—28. — doi:10.1007/978-3-540-30574-3_3.
- ↑ Security algorithms. Дата обращения: 25 ноября 2020. Архивировано 26 июля 2020 года.
- ↑ UEA2 Design and Evaluation Report (англ.) (6 сентября 2006). Дата обращения: 20 октября 2020. Архивировано 29 октября 2020 года.
- 1 2 J. Molina-Gil, Caballero-Gil, Caballero-Gil, Amparo Fúster-Sabater. Analysis and Implementation of the SNOW 3G Generator Used in 4G/LTE Systems : [англ.] : [арх. 4 июня 2018] // Springer. — 2013. — Vol. 239. — P. 499—508. — ISBN 978-3-319-01854-6. — doi:10.1007/978-3-319-01854-6_51.
- ↑ P.Ekdahl, T.Johansson, A.Maximov, J.Yang. A new SNOW stream cipher called SNOW-V : [англ.] : [арх. 8 ноября 2020] // ToSC. — 2019. — Vol. 2019, no. 3. — P. 1—42. — doi:10.13154/tosc.v2019.i3.1-42.
- ↑ Philip Hawkes, Gregory G. Rose. Guess-and-determine attacks on SNOW : [англ.] : [арх. 13 ноября 2020] // Springer. — 2002. — Vol. 2595. — P. 37–46. — doi:10.1007/3-540-36492-7\_4.
- ↑ Dai Watanabe, Alex Biryukov, Christophe De Cannière. A Distinguishing Attack of SNOW 2.0 with Linear Masking Method : [англ.] : [арх. 21 января 2022] // Springer. — 2003. — Vol. 3006. — P. 222—233.
- ↑ ISO/IEC 18033-4:2011 : Information technology — Security techniques — Encryption algorithms — Part 4: Stream ciphers : [англ.] : [арх. 15 октября 2020]. — 2. — International Organization for Standardization (ISO), 2011. — 92 p.
- ↑ UEA2 & UIA2 Specification (англ.) (16 марта 2009). Дата обращения: 13 ноября 2020. Архивировано 19 января 2022 года.