Метод наложения

Метод наложения — метод расчёта электрических цепей, основанный на предположении, что электрический ток в каждой из ветвей электрической цепи при всех включённых генераторах равен сумме токов в этой же ветви, полученных при включении каждого из генераторов по очереди и отключении остальных генераторов (только в линейных цепях).

Метод наложения используется как для расчёта цепей постоянного тока, так и для расчёта цепей переменного тока.

Пример применения

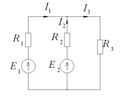
Найти ток методом наложения в цепи, показанной на рисунке. , , .

Пример метода наложения

При отключённом генераторе 2 ток найдём по формуле:

.

При отключённом источнике 1 ток будет

,

а ток будет

.

Тогда ток при обоих включённых источниках будет равен сумме токов и :

.

В задаче за положительные направления токов и приняты направления, совпадающие с направлением, показанным на рисунке для тока . То же самое для тока

Литература

  • Бессонов Л.А. Теоретические основы электротехники. Электрические цепи. М.: Гардарики, 2002. — 638 с. — ISBN 5-8297-0026-3.