Электрификация железных дорог

Работы по обслуживанию контактной сети на станции Орёл.

Электрифика́ция желе́зных доро́г — комплекс мероприятий, выполняемых на участке железной дороги для возможности использовать на нём электроподвижные составы: электровозы (для тяги дальних пассажирских и грузовых поездов), электросекции или электропоезда (для тяги пригородных или скорых пассажирских поездов).

Системы электрификации

Системы электрификации можно классифицировать:

Обычно используют постоянный или однофазный переменный ток. При этом в качестве одного из проводников выступает рельсовый путь.

Зубчато-реечная железная дорога La Rhune во Франции, электрифицирована трёхфазным током. Горный электровоз имеет токоприёмники для «левого» и «правого» контактного провода, а третья фаза идёт по одному из рельсов.
Электромотриса начала XX века с токоприёмниками для трёх контактных проводов

Использование трёхфазного тока требует подвески как минимум двух контактных проводов, которые не должны соприкасаться ни при каких условиях (как у троллейбуса), воздушные стрелки и токоприёмники имеют сложное устройство. Применялась в конце XIX — начале XX века, эта система не прижилась, в первую очередь, из-за сложности токосъёма на больших скоростях[1]. В XXI веке электрификация трёхфазным током сохранилась как технический «реликт» на некоторых зубчато-реечных железных дорогах, перевозящих туристов, например железная дорога «Юнгфрау».

При использовании постоянного тока напряжение в сети делают довольно низким (до 3 кВ), чтобы включать электродвигатели напрямую. При использовании переменного тока выбирают гораздо более высокое напряжение (от 10 до 25 кВ), поскольку на электровозе его можно легко понизить с помощью трансформатора.

Стандарты напряжения

Семь наиболее часто встречающихся напряжений контактной сети: 600, 750 В, 1,5 и 3 кВ постоянного тока, 10, 15 и 25 кВ переменного тока — включены в международный (IEC 60850)[2] и европейский (EN 50163)[3] стандарты.

Ток Системы электрификации Напряжение
Минимальное Мин. допустимое Мин. рабочее Номинальное Макс. рабочее Макс. допустимое Максимальное
Постоянный 600 В (Контактная сеть трамвая и тролейбуса) 220 В 400 В 500 В 600 В (Контактная сеть трамвая и тролейбуса) 720 В 825 В (Контактный рельс в метро) 900 В
750 В 380 В 550 В (Контактная сеть трамвая) 600 В 750 В (Контактный рельс в метро и на некоторых промышленных линий) 800 В 1 кВ 1,1 кВ
1,5 кВ 950 В 1 кВ 1,2 кВ 1,5 кВ (На некоторых промышленных линий) 1,8 кВ 2 кВ 2,4 кВ
3 кВ 1 кВ 2 кВ 2,5 кВ 3 кВ 3,3 кВ (Тяговые подстанции) 3,6 кВ 4 кВ
Переменный 10 кВ 50 Гц 5 кВ 6 кВ 8 кВ 10 кВ (На некоторых промышленных линий) 12,5 кВ 17,25 кВ 21 кВ
15 кВ 16,7 Гц и

15 кВ 16⅔ Гц

10 кВ 11 кВ 12 кВ 15 кВ 17,5 кВ 18 кВ 24 кВ
25 кВ 50 Гц (EN 50163),
60 Гц (IEC 60850)
16 кВ 19 кВ 20 кВ 25 кВ 27,5 кВ (Тяговые подстанции, с учётом потерь) 29 кВ 30 кВ

Система постоянного тока

Опоры контактной сети на Московской железной дороге, электрификация на постоянном токе 3 кВ. Над каждым рельсовым путём подвешено по два контактных провода для улучшения токосъёма при высоких токах.

Простота электрооборудования на локомотиве с гиперболической тяговой характеристикой, низкий удельный вес и высокий КПД обусловили широкое распространение этой системы в ранний период электрификации.

Недостатком электрификации постоянного тока является сравнительно низкое напряжение в контактной сети, поэтому для передачи одинаковой мощности требуется в несколько раз больший ток по сравнению с более высоковольтными системами переменного тока.[прим. 1] Большие токи ограничивают возможную максимальную мощность локомотивов постоянного тока и количество их на участке. Это вынуждает:

  • использовать большее суммарное сечение контактных проводов и подводящих кабелей;
  • увеличивать площадь контакта с токоприёмником электровоза за счёт увеличения числа проводов в подвеске контактной сети до двух и даже трёх (например, на подъёмах) и числа одновременно используемых токоприёмников (до трёх на электровозах ЧС200 и ВЛ15);
  • уменьшать расстояния между тяговыми подстанциями для минимизации потерь тока в проводах, что дополнительно приводит к увеличению стоимости самой электрификации и обслуживания системы (подстанции хоть и автоматизированы, но требуют обслуживания). Расстояние между подстанциями постоянного тока на грузонапряжённых участках или линиях с высокоскоростным сообщением, особенно в сложных горных условиях, может быть всего лишь несколько километров (например, на главном ходе Октябрьской железной дороги — в пригородных зонах Москвы и Санкт-Петербурга оно составляет всего 2-3 км).

Полярность

На железных дорогах, электрифицированных на постоянном токе, а также на трамваях и в метрополитене принята положительная полярность контактной сети: «плюс» подаётся на контактный провод (контактный рельс), а «минус» на рельсы. Положительная полярность принята с целью уменьшения электрохимической коррозии находящихся рядом с железнодорожными путями трубопроводов и иных металлических конструкций.

Так как обратным проводом являются рельсы, которые практически невозможно изолировать от земли, часть тягового тока ответвляется. Эти токи называются «блуждающие токи». Направление блуждающих токов предугадать практически невозможно. Блуждающие токи протекают не только в земле, но и по встречающимся на их пути металлическим частям различных подземных сооружений.

Зоны, где блуждающие токи стекают с рельсов или с иных подземных сооружений в землю, принято называть анодными зонами, а зоны, где блуждающие токи входят из земли в рельсы или иные подземные сооружения, принято называть катодными зонами. Так как имеется разность потенциалов между металлом (рельс, трубопровод) и землёй, в этих зонах возникает электролиз и происходит электрохимическая коррозия металла.

На иллюстрации показана электрифицированная железная дорога с положительной полярностью.

На рельсах анодная зона перемещается вместе с электровозом, а катодная зона расположена возле тяговой подстанции.
На искусственных сооружениях катодные зоны находятся в местах расположения тяговых нагрузок (один электровоз, или их несколько), а анодные зоны — около тяговых подстанций.

Под колёсами электровоза образуется анодная зона, а на проходящем рядом трубопроводе — катодная зона (левая часть рисунка). Зоны на стыках анодной и катодной зон называются знакопеременными, потенциалы в них могут менять свою полярность. Также анодная и катодная зона образуется вблизи тяговой подстанции (правая часть рисунка). Наиболее интенсивно рельсы корродируют под колёсами электровоза, а подземные сооружения — у тяговых подстанций.

Однако, изображённые в левой части рисунка анодная и катодная зоны — «передвигающиеся», то есть фактически знакопеременные, и электролиз в этих зонах носит кратковременный характер. Изображённые в правой части рисунка анодная и катодная зоны — «непередвигающиеся», расположены возле тяговых подстанций, и там электрохимическая коррозия наблюдается в наибольшей степени. Там, соответственно и располагаются станции катодной защиты.

Если бы контактная сеть имела отрицательную полярность (то есть «минус» подавался бы на контактный провод), то трубопроводы, проходящие рядом с железной дорогой, представляли бы практически сплошную анодную зону, и защитные меры для подземных сооружений пришлось бы принимать вдоль всей железной дороги, что было бы несравненно дороже.

Применение

На железных дорогах России и в странах бывшего СССР на участках, электрифицированных по системе постоянного тока, используется напряжение 3000 В. В 1930-е — 1950-е гг. в СССР некоторые пригородные участки были электрифицированы на 1500 В, затем их перевели на 3000 В. В начале 1970-х годов в СССР на Закавказской железной дороге были проведены практические исследования с возможностью электрификации на постоянном токе напряжением 6000 В, однако эту систему сочли неперспективной, в дальнейшем все новые участки электрифицировались переменным током 25 кВ.

Трамваи и троллейбусы в СНГ работают на постоянном токе напряжением 550/600 В, метрополитен в СНГ — на постоянном токе напряжением 825/750 В.

Промышленные электровозы постоянного тока работают на меньшем, чем 3 кВ, электрическом напряжении, например электровоз ЕЛ21 — 1,5 кВ, а электровоз II-КП4 выпускался в различном исполнении — 220, 550 или 600 В.

Системы локомотивов

Реостатно-контакторная система управления

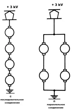
Общая схема четырёхосного (четырёхмоторного) электровоза постоянного тока.
Слева сериесное (последовательное) соединение (С) тяговых электродвигателей, справа — параллельное соединение (П) электродвигателей. Если у электровоза будет 6 или 8 (или более) электродвигателей — тогда можно будет обеспечить сериесно-параллельное (последовательно-параллельное) соединение (СП) коллекторных электродвигателей.

В данной системе тяговые электродвигатели постоянного тока питаются напрямую от контактной сети. Пуск и регулирование осуществляется подключением реостатов, перегруппировкой двигателей (последовательное, последовательно-параллельное и параллельное включение) и ослаблением возбуждения.

На всех советских электровозах и электропоездах тяговые электродвигатели рассчитаны на напряжение 1500 В, поэтому они всегда соединены попарно последовательно (напряжение в контактной сети при этом 3000 В). Дело в том, что, если попытаться сделать электродвигатель на 3000 В с мощностью, равной электродвигателю на 1500 В, то масса и габариты высоковольтного двигателя окажутся больше, чем у низковольтного.

Вспомогательные электродвигатели (привод компрессора, вентиляторов и др.) обычно также питаются напрямую от контактной сети, поэтому они получаются очень большими и тяжёлыми. В некоторых случаях для их питания используют вращающиеся или статические преобразователи (например, на электропоездах ЭР2Т, ЭД4М, ЭТ2М используется мотор-генератор, преобразующий постоянный ток 3000 В в трёхфазный 220 В 50 Гц).

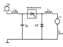
Импульсное регулирование

Общая схема электровоза постоянного тока с импульсным регулированием. Преобразователь (в сущности, это электронный ключ, раньше его выполняли по достаточно сложной схеме на быстродействующих тиристорах, в современных конструкциях его роль выполняют IGBT транзисторы) посылает импульсы тока, накопление энергии происходит в дросселе Lн. Фильтр LфCф препятствует проникновению электромагнитных помех в контактную сеть. Обратный диод VD замыкает цепь дросселя Lн и тягового двигателя между импульсами преобразователя, обеспечивая непрерывность тока в них.

В последние десятилетия стало распространяться импульсное регулирование, позволяющее избежать потерь энергии в реостатах.

Схема с инвертором

Общая схема электровоза постоянного тока с асинхронными тяговыми электродвигателями.

В 2010 году в России начато производство грузовых электровозов постоянного тока 2ЭС10 — 3ЭС10 «Гранит». Асинхронные тяговые двигатели питаются трёхфазным переменным током от инверторов.

Система переменного тока пониженной частоты

Общая схема старого электровоза переменного тока пониженной частоты. Коллекторные электродвигатели переменного тока подключаются непосредственно к вторичной обмотке трансформатора. Если на электровозе несколько электродвигателей (4, 6 и т. д.) — то они подключаются параллельно.
Умформер 50 Гц → 16⅔ Гц на Железной дороге ГДР, передвижное исполнение. Большой вес короткого вагона несут семь осей.

В ряде европейских стран (Германия, Швейцария и др.) используется система однофазного переменного тока 15 кВ 16⅔ Гц, а в США на старых линиях 11 кВ 25 Гц. Пониженная частота позволяет использовать коллекторные двигатели переменного тока. Двигатели питаются от вторичной обмотки трансформатора напрямую, без каких-либо преобразователей. Вспомогательные электродвигатели (для компрессора, вентиляторов и др.) также обычно коллекторные, питаются от отдельной обмотки трансформатора. Коллекторные двигатели, питаемые переменным током пониженной частоты, имеют лучшую коммутацию в сравнении с питанием током промышленной частоты.

Преимуществом системы является полная развязка контактной сети от питающей, так как для преобразования частоты применяются умформеры. Отсюда же проистекает второе преимущество — нет опасности перекоса фаз (мотор умформера питается трёхфазным током, а генератор выдаёт однофазный ток). Третье преимущество — заметно меньшие индуктивные потери.

Недостатком системы является необходимость преобразования частоты тока на подстанциях или строительство отдельных электростанций для железных дорог.

Данная система появилась в 1910-е годы вынужденно, так как на постоянном токе потери были велики, а реализовать систему переменного тока промышленной частоты не позволил технический уровень того времени.

В Европе частота 16⅔ Гц была выбрана, так как она составляет 1/3 от 50 Гц, что позволяет применять в генераторах умформеров обычные трёхфазные машины на 50 Гц с изменённым подключением обмоток.

В США частота 25 Гц является техническим реликтом: такой была частота переменного тока до перехода сетей на 60 Гц в начале XX века.

Развитие полупроводниковой техники привело к тому, что на электровозах переменного тока пониженной частоты стали применяться коллекторные двигатели постоянного (пульсирующего) тока, питаемые от полупроводникового выпрямителя, а с конца XX века применяются тяговые асинхронные двигатели, например, электровозы IORE. Таким образом, современные электровозы переменного тока пониженной частоты не имеют принципиальных отличий от электровозов переменного тока промышленной частоты.

Система переменного тока промышленной частоты

Общая схема электровоза переменного тока. Коллекторные электродвигатели пульсирующего тока подключаются через выпрямитель к вторичной обмотке трансформатора. Если на электровозе несколько электродвигателей (4, 6 и т. д.) — то они подключаются параллельно.

Использование тока промышленной частоты наиболее экономично, но его внедрение встретило много трудностей. Поначалу использовали коллекторные электродвигатели переменного тока, преобразующие мотор-генераторы (однофазный синхронный электродвигатель плюс тяговый генератор постоянного тока, от которого работали тяговые электродвигатели постоянного тока), вращающиеся преобразователи частоты (дающие ток для асинхронных тяговых электродвигателей). Коллекторные электродвигатели на токе промышленной частоты работали плохо, а вращающиеся преобразователи были слишком тяжёлыми и неэкономичными.

Однако, в конце 1920-х годах в СССР, когда только начинали электрифицировать Сурамский перевал, многие специалисты[кто?] хорошо понимали, что в будущем электрическая тяга на постоянном токе с номинальным напряжением 3 кВ не позволит рационально решить вопрос увеличения провозной способности линий путём повышения веса поездов и скорости их движения. Простейшие расчёты показывали, что при ведении поезда массой 10’000 т на подъёме 10 ‰ при скорости 50 км/ч тяговый ток электровозов будет составлять более 6’000 А, что потребовало бы увеличения сечения контактных проводов, а также весьма частого расположения тяговых подстанций. После сравнения около двухсот вариантов сочетаний рода тока и величин напряжений, было принято решение, что оптимальным вариантом является электрификация на постоянном или переменном (50 Гц) токе напряжением 20 кВ. Первая система на тот момент в мире нигде не была испытана, а вторая была изучена очень мало, поэтому на первой Всесоюзной конференции по электрификации железных дорог было принято решение о сооружении опытного участка, электрифицированного на переменном токе (50 Гц) напряжением 20 кВ. В 1938 году был построен электровоз ОР22 с игнитронным выпрямителем и бесконтактным бесступенчатым фазовым регулированием за счёт изменения момента зажигания игнитрона. Его испытания завершились в связи с началом войны в 1941 году, однако результаты были весьма положительными, а принципиальная схема (с регулированием напряжения на низкой стороне) оказалась настолько удачной, что её стали использовать при проектировании подавляющего большинства советских электровозов переменного тока.

Система однофазного тока промышленной частоты (25 кВ 50 Гц) начала широко применяться только после создания во Франции в 1950-х годах электровозов со статическими ртутными выпрямителями (игнитронами; позже они заменялись на более современные кремниевые выпрямители — из экологических и экономических соображений); затем эта система распространилась и во многих других странах.

Когда машинист и помощник занимали место в кабине электровоза ВЛ60 (или ВЛ80, Ф, ВЛ41, ВЛ61) с ртутными выпрямителями, то у них с собой обязательно были противогазы со специальной фильтрующей коробкой, поглощающей пары ртути. При аварии (прогорание корпуса игнитрона) следовало надеть противогаз, открыть боковые форточки в кабине, отключить неисправный игнитрон и вести поезд до ближайшей станции в противогазе.

При выпрямлении однофазного тока получается не постоянный ток, а пульсирующий, поэтому используются специальные двигатели пульсирующего тока, а в схему вводятся сглаживающие реакторы (дроссели), снижающие пульсации тока, и резисторы постоянного ослабления возбуждения, включённые параллельно обмоткам возбуждения двигателей и пропускающие переменную составляющую пульсирующего тока, которая лишь вызывает ненужный нагрев обмотки.

Для привода вспомогательных машин используют либо двигатели пульсирующего тока, питающиеся от отдельной обмотки тягового трансформатора (обмотка собственных нужд) через выпрямитель, либо промышленные асинхронные электродвигатели, питающиеся от расщепителя фаз (такая схема была применена на ОР22, а позднее распространилась на французских, американских и советских электровозах) или фазосдвигающих конденсаторов (применена, в частности, на российских электровозах ВЛ65, ЭП1, 2ЭС5К).

Недостатками системы являются значительные электромагнитные помехи для линий связи, а также неравномерная нагрузка фаз внешней энергосистемы. Для повышения равномерности нагрузки фаз в контактной сети чередуются участки с разными фазами; между ними устраивают нейтральные вставки — короткие, длиной несколько метров, участки контактной сети, которые подвижной состав проходит с опущеными пантографами, на выбеге, для того, чтобы пантограф не перемыкал находящийся под высоким линейным (межфазным) напряжением промежуток между секциями в момент перехода с провода на провод. При остановке на нейтральной вставке на неё возможна подача напряжения от передней по ходу секции контактной сети.

Железные дороги России и стран бывшего Советского Союза, электрифицированные на переменном токе, используют напряжение ~25 кВ частотой 50 Гц. В некоторых источниках указывается напряжение 27,5 кВ, что создаёт путаницу. На самом деле тяговые подстанции выдают напряжение 27,5 кВ, но из-за падения напряжения вследствие высокого индуктивного сопротивления цепи «контактный провод — рельс» электровозы рассчитаны на работу на напряжении, в диапазоне: 21кВ-29кВ.

Первой в СССР полностью на переменный ток в 25 кВ была переведена в 1959 году Красноярская железная дорога.

Промышленные электровозы переменного тока работают на меньшем, чем 25 кВ, электрическом напряжении, например тяговый агрегат ОПЭ1 — 10 кВ 50 Гц.

Система 2×25 кВ

Система электрификации 2×25 кВ.

Для малонаселённых территорий в СССР применяется система электрификации 2×25 кВ (два по двадцать пять киловольт). Там, как правило, нет возможности часто располагать тяговые подстанции (к тому же, бывает трудно найти квалифицированный персонал для их обслуживания, а также создать для людей должные жилищно-бытовые условия).

На опорах контактной сети (сбоку от железнодорожного полотна и контактного провода) натянут специальный питающий провод, в который подаётся напряжение 50 кВ от тяговой подстанции. На железнодорожных станциях (или на перегонах) установлены малообслуживаемые понижающие автотрансформаторы, один вывод обмотки подключён к питающему проводу, а другой — к контактному проводу. Общим (обратным) проводом является рельс. На контактный провод подаётся половинное напряжение от 50 кВ, то есть 25 кВ. Как правило, подаётся несколько выше 50 киловольт, обычно 55; с учётом потерь, чтобы на контактном проводе было 27,5 кВ.

Данная система позволяет реже строить тяговые подстанции, а также уменьшить тепловые потери. Электровозы и электропоезда переменного тока в переделке не нуждаются.

Стыкование систем электроснабжения

Электровозы разных систем тока на станции стыкования:
слева электровоз постоянного тока ВЛ8М,
справа электровоз переменного тока ВЛ80Т
Двухсистемный электровоз ВЛ82м
Двухсистемный электровоз ЭП20

Разнообразие систем электроснабжения вызвало появление пунктов стыкования (систем тока, напряжений, частоты тока). При этом возникло несколько вариантов решения вопроса организации движения через такие пункты. Выявились три основные направления.

Организация станции стыкования

Станция стыкования имеет участки контактной сети с переключением питающего тока. Например, поезд прибывает с электровозом постоянного тока, затем этот электровоз отцепляется и уезжает в оборотное депо или тупик для отстоя локомотивов. Контактную сеть на этом пути переключают на переменный ток, сюда заезжает электровоз переменного тока и ведёт поезд далее. Данный способ удорожает электрификацию и содержание устройств электроснабжения, а из-за смены локомотива требует дополнительных связанных с этим материальных, организационных и временны́х затрат (см. список станций стыкования родов тяги РЖД и список станций стыкования родов тяги УЗ). При этом значительное время занимает не столько сама смена электровоза, сколько регламентное опробование тормозов.

Применение тепловозной тяги

Тепловозная вставка — оставление между участками с разными системами электроснабжения небольшого тягового плеча, обслуживаемого тепловозами. На практике применяется на участке КостромаГалич протяжённостью 126 км: в Костроме постоянный ток (=3 кВ), в Галиче — переменный (~25 кВ). Транзитом курсируют поезда МоскваХабаровск и МоскваШарья, а также СамараКинельОренбург (прицепка тепловоза к пассажирским поездам происходит в Самаре, а к грузовым — в Кинеле). В Самаре и в Кинеле постоянный ток (=3 кВ), в Оренбурге — переменный (~25 кВ), транзитом проходят поезда на Орск, Алма-Ату, Бишкек. При таком способе «стыкования» значительно ухудшаются условия эксплуатации линии: вдвое удлиняется время стоянки составов, снижается эффективность электрификации из-за содержания и пониженной скорости тепловозов. Другие примеры тепловозных вставок — Ожерелье/Тула—Елец, Красный Узел—Канаш, Красный Узел—Арзамас, Сараевка—Старый Оскол, Татарская—Карасук (только пассажирские поезда Москва-Барнаул, следующие в обход Казахстана), Ряжск—Пенза, Сызрань—Албаба—Казань, Брянск—Белые Берега—Орёл, Воронеж\Касторная—Курск и др.

Использование многосистемного подвижного состава

Стыкование по контактной сети делается за пределами станции. Данный способ позволяет проходить пункты стыкования без остановки (хоть и, как правило, на выбеге). Применение двухсистемных электровозов сокращает время следования поездов и не требует смены локомотива. Но стоимость таких электровозов выше. Дороже такие электровозы и в эксплуатации. Кроме того, многосистемные электровозы имеют больший вес (что, однако, малоактуально на железной дороге, где нередка добалластировка локомотивов для увеличения сцепного веса). В СССР и странах СНГ были выпущены малыми сериями такие типы подвижного состава, как электровозы ВЛ61д, ВЛ82 и ВЛ82м (постоянный ток напряжением 3 кВ и однофазный 25 кВ), ВЛ19 и электропоезд Ср (постоянный ток напряжением 3 кВ и 1,5 кВ). Двухсистемные электровозы работали на участке Минеральные Воды (~25 кВ и =3 кВ) — Кисловодск (=3 кВ) (этот участок в 2000-е гг. переведён на переменный ток), работают на границе Ленинградской области (=3 кВ) с Финляндией (~25 кВ) и на Украине (см. станции стыкования с нейтральными вставками). Новые российские двухсистемные электровозы ЭП20 работают со скорыми и скоростными поездами на основных направлениях от Москвы, где на небольшом удалении происходит смена рода тяги: Горьковское, Смоленское, Киевское, Рязанское (в направлении на Кавказ). Двухсистемные скоростные электропоезда ЭВС2 «Сапсан» эксплуатируются на маршруте Москва (=3 кВ) — Нижний Новгород (~25 кВ), двухсистемные электропоезда Allegro эксплуатировались на скоростном маршруте Санкт-Петербург — Хельсинки, в районе Сочи на Северо-Кавказской железной дороге (Краснодар-1 — Горячий Ключ «Ласточка» ЭС1 проходит под переменным током, Горячий Ключ — Адлер под постоянным, участок Адлер — Красная Поляна под переменным током).

В Западной Европе встречается четырёхсистемный электроподвижной состав (постоянный ток 1500 В, постоянный ток 3000 В, переменный ток 25 кВ 50 Гц, переменный ток 15 кВ 16⅔ Гц).

Схемотехнически многосистемные электровозы бывают нескольких типов:

  • за основу берётся схема электровоза постоянного тока — всегда используется реостатный пуск и перегруппировка двигателей; при питании от сети переменного тока подключается нерегулируемый трансформатор с выпрямителем (пример — ВЛ82);
  • используются раздельные схемы при питании от постоянного и переменного тока: реостатный пуск и перегруппировка двигателей при питании от сети постоянного тока и переключение обмоток трансформатора при питании от сети переменного тока;
  • за основу берётся схема электровоза переменного тока; при питании от сети постоянного тока трансформатор подключается через инвертор.

История электрификации железных дорог в России и бывшем СССР

Почтовая марка СССР № 4589. 1976. 50-летие электрификации железных дорог СССР

Планы создания первой отечественной электрической железной дороги появились ещё в 1898 году. Ораниенбаумская электрическая линия (Санкт-Петербург — Красная Горка) начала строиться в 1913 году, однако реализации планов помешала Первая мировая война. В итоге дорога стала использоваться на ограниченных участках как трамвайный маршрут № 36 до Стрельны, который действует по настоящее время[4].

Первой электрифицированной линией на территории бывшего СССР (здесь и далее рассматриваются границы 1945—1991 гг.) была пригородная линия Таллин — Пяэскюла длиной 11,2 км в независимой Эстонии. Электромотрисы с прицепными вагонами начали работу в 1924 году. Существенная реконструкция узла и расширение полигона электрификации было осуществлено в 1950-х гг.

В 1926 году электротяга была внедрена на пригородных линиях в Баку.

С 1929 года электрификация начала внедряться на магистральных железных дорогах, в основном, для пригородного движения, где электропоезда заменяли пригородные поезда на паровой тяге. Первым участком стала линия Москва — Мытищи длиной 18 км. В 1930-х гг. на московском узле были электрифицированы Ярославское (Москва — Александров, Мытищи — Монино), Горьковское (Москва — Обираловка, Реутово — Балашиха), Рязанское (Москва — Раменское), Курское (Москва — Подольск) направления. Использовался постоянный ток напряжением 1500 В. Участок Загорск — Александров в 1937 году был электрифицирован на постоянном токе напряжением 3000 В, электропоезда, следовавшие из Москвы, на станции Загорск переключали группы двигателей и продолжали движение дальше. Электрификация узла продолжилась во время Великой Отечественной войны и во второй половине 1940-х годов (Москва — Нахабино, Москва — Домодедово, Подольск — Львовская, Москва — Голицыно).

В 1932—1933 годах электротяга была внедрена на магистральной железной дороге Хашури — Зестафони (63 км) на тяжёлом Сурамском перевале. Здесь, в отличие от Москвы и Баку, электротяга использовалась для грузовых и пассажирских перевозок. Впервые на железнодорожных линиях СССР стали работать электровозы.

С 1933 года обозначился курс на первоочередное внедрение электрификации в трёх случаях:

  1. Интенсивное пригородное движение, при котором использование паровозной тяги крайне неэффективно. Так, электротяга появилась в Ленинграде (Балтийское направление), на курортах Кавказских минеральных вод (Минеральные Воды — Кисловодск), Куйбышеве (Самара — Безымянка), некоторых ответвлениях от магистральной электрифицированной железной дороги в Грузии (Сурами, Боржоми, Кутаиси, Гардабани и т. п.), где ввиду наличия электрификации под грузовое движение было невыгодно держать паровозы для пригородного и местного сообщения. В таких случаях, как правило, электрификация осуществлялась на постоянном токе напряжением 1500 В (в Грузии сразу 3000 В).
  2. На перевальных железных дорогах, где электротяга позволяла существенно увеличить пропускную и провозную способность линий. Так было в Грузии, на Урале (Кизел — Чусовская и дальнейшее развитие электротяги в растущем промышленном регионе, в 1945 Челябинск — Златоуст). Электрификация велась на постоянном токе напряжением 3000 В.
  3. На напряжённых железнодорожных линиях в новых промышленных районах (Пермско-Свердловский регион, Запорожье — Кривбасс, Лоухи — Мурманск, Новокузнецк — Белово).

Такой курс сохранялся примерно до 1950 года. Во время войны на многих электрифицированных линиях контактная сеть демонтировалась, а электроподвижной состав эвакуировался. Линия ЛоухиМурманск, несмотря на прохождение рядом линии фронта, продолжала работать. Во время войны электротяга получила развитие на Московском узле и на Урале, а после войны была полностью восстановлена на всех прежних участках.

В 1950—1955 гг. началось первое, ещё осторожное расширение полигона электрификации. Начался переход с напряжения 1500 В на 3000 В на всех пригородных узлах, дальнейшее развитие пригородных узлов, удлинение электрифицированных линий до соседних областных центров с внедрением электролокомотивной тяги для пассажирских и грузовых поездов. «Островки» электрификации появились в Риге, в Куйбышеве, в Западной Сибири, Киеве.

С 1956 года начался новый этап массовой электрификации железных дорог СССР, который стремительно вывел электротягу и тепловозную тягу с 15 % доли в перевозках в 1955 году до 85 % доли в 1965 году. В течение десяти лет были введены самые длинные электрифицированные дороги:

Москва — Куйбышев — Челябинск — Новосибирск — Красноярск — Иркутск;
Ленинград — Москва — Харьков — Ростов-на-Дону — Сочи — Тбилиси — Ереван;
Москва — Горький — Киров — Пермь;
Москва — Рязань — Воронеж — Ростов-на-Дону — Минеральные Воды.

К этому периоду относится также строительство первой в СССР новой железной дороги, электрифицированной сразу при строительстве — дороги Абакан — Тайшет. Существенно возросли локальные полигоны электротяги в Восточной Украине, Азербайджане, Горьковской области, появились новые «островки» в Минске, Волгограде, Владивостоке, на Западной Украине, в основном, завершена электрификация в Грузии (1969 год). В среднем, в каждый год этого десятилетия вводилось около 2 000 км электрифицированных железных дорог. В эти годы электрификация продолжалась как на уже хорошо себя зарекомендовавшем постоянном токе напряжением 3 000 В, так и на переменном токе частоты 50 Гц напряжением 25 кВ.

Первым на переменном токе (напряжением 20 кВ) был электрифицирован опытный участок Ожерелье — Михайлов — Павелец в 1955—1956 годах. После проведения испытаний было решено увеличить напряжение до 25 кВ. С 1959 года переменный ток напряжением 25 кВ начал внедряться на длинных участках, где требовалась электрификация, но поблизости не было полигонов постоянного тока (Красноярская и Восточно-Сибирская железные дороги, Горьковский узел и далее в Киров, ход Рязань — Воронеж — Северный Кавказ, узлы в Барнауле, в Центральной и Западной Украине). Параллельно с развитием сети линий на переменном токе велась разработка подвижного состава переменного тока.

Первые электропоезда ЭР7 и ЭР9 начали работу только в 1962 году. Для Красноярской железной дороги в 1959 году были приобретены французские электровозы типа Ф, так как производство советских электровозов переменного тока (ВЛ60 и ВЛ80) задерживалось.

Электрификация основных линий РСФСР, 1962

С 1966 года наметился спад масштабов электрификации. В пятилетке 1966—1970 годов в год в среднем вводилось 1 700 км новой электрификации, а с 1971 по 1990 годы — 900—1000 км в год, причём такие стабильные показатели сохранялись в каждой из четырёх пятилеток этого периода. Если в 1966—1970 годах ещё продолжался перевод линий с паровой на электрическую тягу, то после 1970 года на электрическую тягу переводились наиболее напряжённые тепловозные магистрали. Кроме того, электрификация продолжала внедряться на крупных пригородных узлах — в Казани, Саратове, Львове, Вильнюсе, Калининграде, развивались ранее электрифицированные пригородные системы в Минске, Риге, Ленинграде, Москве, Волгограде, Ярославле, Костроме и др. В 1980-х годах были электрифицированы несколько протяжённых магистралей: Транссиб от Читы до Хабаровска, БАМ от Усть-Кута до Таксимо, линия Вязьма — Минск — Брест, линия Черусти — Казань — Дружинино, трансказахская дорога Караганда — Ташкент с продолжениями на Алма-Ату и Самарканд.

В 1991—2005 годах размеры электрификации в странах бывшего СССР сократились до 450 км в год, с «падениями» в отдельные годы до 150 км в год и «взлётами» до 700 км в год в рамках работ по электрификации протяжённых линий. Электрификация продолжалась, в основном, на ранее намеченных при СССР магистралях, где электровозная тяга была выгоднее тепловозной. Кроме того, в этот период впервые в России произошёл масштабный перевод ряда линий с постоянного тока на переменный. В 1995 г. на переменный ток была переведена 377-километровая линия Зима — Иркутск — Слюдянка, в 2001 г. — 450-километровая линия Лоухи — Мурманск, в 2003 году — Волгоградский и Саратовский узлы были переведены на переменный ток, а в 2006-м на переменный ток было переведено 70-километровое агломерационное тупиковое ответвление Минеральные Воды — Кисловодск и Бештау — Железноводск. Подобный переход был проведён ещё ранее (в 1960-х) и на Украинских железных дорогах. В 1950—1959 годах был электрифицирован участок Бровары — Киев — Фастов на постоянном токе, но в связи с электрификацией участков Знаменка — Мироновка — Фастов в 1963 г. и Бровары — Конотоп — Зёрново в 1967 г. переменном токе линия на первом участке в 1967 г. была переведена на переменный ток.

С 2006 года размеры электрификации ещё более сократились, и каждый год вводится менее 200 км линий на электротяге.

  • На территории Украины до 2012—2013 гг. электрификация железных дорог продолжается в основном из-за избытка дешёвой электроэнергии от АЭС. При этом, на ряде электрифицированных линий продолжается использование тепловозов — по причине дефицита современных электровозов. С 2013 г. работы по электрификации из-за недостатка финансирования фактически прекратились, но в планы и проекты сохраняются.
  • В России в 2006—2020 гг. были реализованы только пять крупных проектов по электрификации:
  • В Белоруссии принята программа электрификации железных дорог, в ходе которой к 2018 году электрифицированы линии Осиповичи — Гомель и Молодечно — Науйойи-Вильня (совместно с Литвой), а также начата электрификация линии Жлобин — Калинковичи — Барбаров.
  • В Узбекистане в 2013—2020 гг. года были электрифицированы более 1000 км железнодорожных линий: магистрали Самарканд — Карши — Термез и Самарканд — Навои — Бухара, новая линия через Камчикский тоннель в Ферганскую долину и железнодорожное кольцо Ферганской долины. В скором будущем планируется электрификация 500-километровой магистрали Бухара — Ургенч — Хива.
  • В Азербайджане с 2019 г. ведётся подготовка к полному переводу всех электрифицированных линий на переменный ток. Непосредственный переход начался 22.07.2020 с участка в районе Гянджи.

Иные технические особенности

Промышленный электровоз постоянного тока ЕЛ2 (1,5 кВ), два верхних токоприёмника и четыре боковых.
Электровоз постоянного тока 2ЭС10 «Гранит» с трёхфазными асинхронными тяговыми двигателями.
  • Внедрением асинхронных трёхфазных тяговых электродвигателей можно увеличить мощность электровоза примерно в 1,5 раза. Дело в том, что тяговый электродвигатель — машина предельного исполнения. Его мощность определяют габаритные размеры, обусловленные шириной колеи, точнее, расстоянием между колёсами. «Форсировать» коллекторный электродвигатель, увеличивая силу тока, весьма затруднительно, так как при этом появляется насыщение магнитной системы, далее увеличивать ток бесполезно. Трёхфазные асинхронные тяговые электродвигатели имеют меньшую металлоёмкость в сравнении с коллекторными при той же мощности. Например, коллекторный электродвигатель электровоза ЧС200 имеет часовую мощность 1050 кВт, а трёхфазный асинхронный электродвигатель электровоза BR 185 — 1400 кВт.

См. также

Примечания

Комментарии

  1. Например, два электровоза имеют равную мощность 15 000 киловатт. У электровоза постоянного тока (3 кВ) максимальный ток, проходящий через токоприёмник, составит 5000 А, у электровоза переменного тока (25 кВ) — 600 А.

Источники

  1. Почаевец В.С. Электроснабжение на железнодорожном транспорте. Введение в специальность. Учебное пособие.. М.: Маршрут, 2012.
  2. IEC 60850 (2007). Railway applications — Supply voltages of traction systems. 3rd. edition. / Железнодорожный транспорт. Напряжения электропитания систем тяги. 3-е изд.
  3. EN 50163 (2007). Railway applications — Supply voltages of traction systems / Транспорт железнодорожный. Напряжение питания электрической тяги
  4. История постройки электрической железной дороги от Нарвских ворот до Ораниенбаума и далее до Красной Горки. Дата обращения: 31 января 2015. Архивировано 18 ноября 2015 года.
  5. История Рязанско-Уральской железной дороги. Дата обращения: 26 апреля 2014. Архивировано 23 января 2009 года.

Литература

Ссылки