Регистр сдвига с обобщённой обратной связью
Регистр сдвига с обобщённой обратной связью (англ. Generalized feedback shift register (GFSR)) — вариант генератора псевдослучайных чисел (ГПСЧ) Таусворта, предложенный Теодором Льюисом и Уильямом Пейном в 1973 году.

Идея алгоритма GFSR состоит в том, что основная последовательность регистра сдвига с линейной обратной связью , основанная на примитивном трёхчлене , записывается в колонок, , с разумно выбранными циклическими сдвигами. и — произвольные натуральные числа, такие что , причём примерно равных и , нужно избегать из-за плохих свойств результирующей последовательности.[1]
Таким образом все слова на выходе GFSR можно рассматривать как вектора длины , с коэффициентами из множества , которые подчиняются рекурсии
где — XOR, или побитовое сложение по модулю 2, а [1]
Сравнение с аналогичными алгоритмами

Линейный конгруэнтный генератор показывает плохую n-пространственную однородность. На рисунке предвиден пример результата работы для для 384 точек (a) и 512 (b).[1]

Как альтернатива, регистр сдвига с линейной обратной связью (FSR) даёт равномерное распределение в n-мерном пространстве, если длина регистра делится на n. Возможно FSR последовательности дают больше возможностей для улучшения n-мерного пространства, но период ограничен машинным словом. Кроме того, прореживание, с целью получить однородность n-мерном пространстве далее сокращает длину цикла.[1]
Из-за этого был создан регистр сдвига с обобщённой обратной связью, способный генерировать сколь угодно большие последовательности, независимо от размера машинного слова, также обладающий хорошим n-мерным распределением и большой скоростью.[1]
На рисунке предвиден пример результата работы GFSR c полиномом , 9-битным машинным словом и циклическим сдвигом на 93[1]
История исследования GFSR
Льюисом и Пейном были представлены различные типы генераторов называемые регистры сдвига с обобщённой обратной связью. Этот быстрый метод и может генерировать одинаковые последовательности на компьютерах с разной длиной машинного слова, но он имеет недостаток с инициализацией.[2]
Во-первых, невырожденная битовая начальная матрица размером должна быть сформирована. Льюис и Пейн показали, что если относительный сдвиг между соседними колонками постоянен, то матрица не вырожденная. Постоянный сдвиг был произвольно выбран равным .[2]
Во-вторых, Льюис и Пейн предложили, с целью подавить эффект неслучайности начальной матрицы, отбрасывать первые чисел перед использованием генератора. Так, если нужна длинная последовательность и большое, то процесс инициализации занимает много времени.
Другой недостаток который может быть более существенным, нет теоретического обоснования того, что последовательность будет обладать свойством k-распределения. Термин k-распределение означает, что каждый k-кортеж из -бит чисел появляется раз на полном периоде, за исключением нулевого кортежа. Они показали что последовательность может быть k-распределённая, для , но это необходимое, а не достаточное условие.[2]
Брайт (Bright) и Энисон (Enison) провели тесты на равнораспределение в пространствах большой размерности небольшой части последовательности с большим периодом. Оказалось что в тестах статистические свойства не повторяют свойства всей последовательности.[2]
Арвилиас (Arvillias) и Маритсас (Maritsas) предложили генератор типа GFSR, в которых есть степень 2. Они показали что элементов последовательности, почти равномерно распределённых вдоль периода, можно получить за один такт, используя переключатель и регистры сдвига. При этом относительный сдвиг аналитически определён. Это значит, что процесс инициализации становится столь же быстрым как и генерация случайных чисел. Но снова нет гарантий в k-распределении.[2]
Алгоритм GFSR
Входные значения:
- — задают характеристический полином регистра сдвига
- — начальная битовая последовательность
Алгоритм:
- 1. Создаем массив битовых векторов , по которому будем перемещаться с индексом и вспомогательным индексом .
- 2. Инициализируем массив, используя начальную битовую последовательность. Устанавливаем равное 0.
- 3. Вычисляем следующий вектор, но так как массив длины , то индексы вычисляются по модулю , из-за чего
- Таким образом
- 4. Увеличиваем на единицу и переходим к вычислению следующего вектора, до тех пор пока последовательность не начнет повторяться (длина последовательности )[1]
Алгоритм инициализации
- Сначала генерируется последовательность согласно алгоритму регистра сдвига с линейной обратной связью.
- После чего полученная последовательность циклически сдвигается. Величина сдвига должна быть меньше периода , тогда гарантируется что стартовые вектора будут линейно независимы (если величина сдвига взаимно просто с , то сдвиг может превышать полный период).
- Используя эту процедуру, получаем последовательностей, которые можно записать друг под другом. Первые бит последовательностей образуют матрицу, столбцы которой являются векторами [1]
Пример
Пусть дан полином , и .
Элементы последовательности удовлетворяют равенству при . Согласно полиному , так мы можем узнать элементы последовательности
и так далее.
Таким образом получаем последовательность
Для того чтобы создать хорошую случайную последовательность воспользуемся алгоритмом Кендола (Kendall). Хотя есть несколько вариантов этого алгоритма мы возьмем тот, который сдвигает начальную последовательность 1111100011011101010000100|101100 вперед на 6 бит. То есть 1011001111100011011101010|000100 и так ещё 3 раза. Таким образом получим
| Номер | последовательность |
|---|---|
| 0 | 1111100011011101010000100101100 |
| 1 | 1011001111100011011101010000100 |
| 2 | 0001001011001111100011011101010 |
| 3 | 1010100001001011001111100011011 |
| 4 | 0110111010100001001011001111100 |
образуется из первых бит последовательностей, — из вторых, для аналогично.
Последующие вычисляем согласно правилу .
| 11010 | 01001 | 00111 | |||
| 10001 | 10000 | 01111 | |||
| 11011 | 10110 | 10010 | |||
| 11100 | 10100 | 01100 | |||
| 10011 | 01110 | 00101 | |||
| 00001 | 11111 | 10101 | |||
| 01101 | 00100 | 00011 | |||
| 01000 | 11000 | 10111 | |||
| 11101 | 01011 | 11001 | |||
| 11110 | 01010 | 00110 |
Преимущества и недостатки
Преимущества
По словам разработчиков регистр сдвига с обобщённой обратной связью обладает произвольно большим периодом, независимо от длины машинного слова компьютера, который выполняет алгоритм, он быстрее чем другие генераторы псевдослучайных последовательностей, а также алгоритм легок в реализации.[1]
Недостатки
Согласно исследованиям количество 0 и 1 в выходной последовательности заметно разнится, а что противоречит постулатам Голомба. Также, если взять целое N, и разделить последовательность на кортежи по N слов, то для случайной последовательности распределение единиц в этих кортежах должно подчиняться биномиальному распределению Bin(N, 1/2). Но оказалось, что при это условие не выполняется. Это из-за того, что каждое слово зависит только от двух предыдущих, и по этому преобладание единиц или нулей не «сглаживается» сумматором по модулю 2.[3]
Вихрь Мерсенна — пример улучшения GFSR
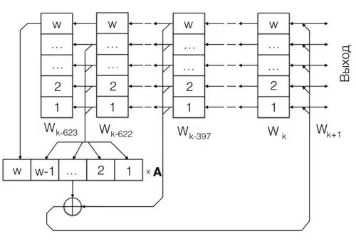
Широко известна модификация регистра сдвига с обобщённой обратной связью под названием «Вихрь Мерсенна», предложенный Макото Мацумото и Такудзи Нисимурой в 1997 году. Период этого генератора огромен, и равен числу Мерсенна . Вихрь Мерсенна относят к классу витковых генераторов на регистрах сдвига с обобщёнными обратными связями. Его упрощённая схема приведена на рисунке

Рассмотрим наиболее распространённый вариант этого алгоритма — MT19937. Он использует 624 ячейки памяти, в каждой из которых содержится целое 32 битное число. При этом рекуррентное правило формирования последовательности выходных слов записывается таким образом:
& 0x80000000) | & 0x7fffffff))×, (i = 0, 1 , 2, ...)
То есть, на каждом k-том шаге берётся старший бит слова , и 31 бит из слова , а затем полученные части конкатенируют с последующим умножением полученного результата на матрицу
где = 0x9908B0DF в шестнадцатеричном исчислении.
После этого, результат складывается по модулю 2 со словом, вычисленного на предыдущем 397-м шаге. Затем делается сдвиг содержимого всех ячеек на шаг влево, и полученный результат записывается в освободившуюся ячейку.[3]
См. также
Литература
- T. G. Lewis, W. H. Payne. Journal of the ACM (JACM) Volume 20 Issue 3. — NY: ACM, July 1973.
- James E. Gentle. Random number generation and Monte carlo methods. — 2nd edition. — NY: Springer, 2003. — XV + 381 с. — ISBN 0-387-00178-6.
Примечания
- 1 2 3 4 5 6 7 8 9 T. G. Lewis, W. H. Payne. Generalized Feedback Shift Register Pseudorandom Number Algorithm // J. ACM. — 1973-07-01. — Т. 20, вып. 3. — С. 456–468. — ISSN 0004-5411. — doi:10.1145/321765.321777.
- 1 2 3 4 5 M. Fushimi, S. Tezuka. The k-distribution of generalized feedback shift register pseudorandom numbers // Communications of the ACM. — 1983-07-01. — Т. 26, вып. 7. — С. 516–523. — ISSN 0001-0782. — doi:10.1145/358150.358159. Архивировано 16 ноября 2016 года.
- 1 2 Н. Ф. Казакова, к.т.н., Ю. В. Щербина, к.т.н. ПРОБЛЕМЫ ОЦЕНКИ КАЧЕСТВА РАБОТЫ СОВРЕМЕННЫХ ЛИНЕЙНЫХ ГЕНЕРАТОРОВ ПСЕВДОСЛУЧАЙНЫХ ПОСЛЕДОВАТЕЛЬНОСТЕЙ (рус.) // Збірник наукових праць ОДАТРЯ No 1(2 )2013. Архивировано 23 марта 2022 года.