Оружейная гильза

Эскиз гильзы 12,7-мм патрона к пулемёту ШВАК (12,7x108R).
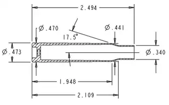
Чертеж гильзы винтовочного патрона .30-06 Springfield (США). Гильза с проточкой. Размеры в дюймах.
Схема унитарного патрона:
1 — пуля, 3 — заряд пороха, 4 — закраина (фланец), 5 — капсюль-воспламенитель, 2 — гильза (соединяет все элементы в патрон).
Патронные гильзы разных калибров и назначений. Слева — пластмассовая гильза к патрону охотничьего типа для гладкоствольного ружья.
Клеймо на гильзе патрона для пулемёта ШКАС. Завод № 529 (Новая Ляля), видно усиленное кольцевое кернение капсюля.

Гильза оружейная — тонкостенная закрытая с одного конца трубка (стакан), предназначенная для помещения метательного заряда и средств воспламенения, служащая оболочкой унитарного оружейного патрона либо артиллерийского выстрела для огнестрельного оружия и соединяющая в одно целое конструктивные части патрона (выстрела): снаряд (пулю, дробовой заряд, артиллерийский снаряд), пороховой заряд и капсюль-воспламенитель.

Важнейшие качества оружейной гильзы — герметичность, стойкость к коррозии, прочность и лёгкость извлечения (экстрагирования) её из патронника после выстрела. Гильзы современных патронов, чаще всего металлические, изготавливаются из сплавов цветных металлов или из стали с различными покрытиями. Гильзы патронов к гладкоствольному оружию нередко имеют металлическое донце и стенки из пластмассы или картона (папковые гильзы).

Формы гильз

По форме гильзы бывают цилиндрические (9-мм патрон ПМ), бутылочные (7,62-мм патрон обр. 1943 г.), конические (7,62-мм патрон к револьверу Нагана). Патроны фиксируются при досылке в патронник передним торцом гильзы в уступ патронника, или упором закраины в торец патронника.

Гильзы бутылочной формы характеризуются следующими внешними размерами: длиной гильзы, диаметром дульца гильзы, диаметром шеи гильзы, диаметром плеча гильзы, диаметром основания гильзы, диаметром нижней части гильзы — закраины (фланца).

Гильзы конические и цилиндрические характеризуются длиной гильзы, диаметром дульца, диаметром основания и диаметром закраины (фланца).

Для гладкоствольных ружей нижнюю плоскую часть гильзы часто называют донцем.

Типы закраин

Закраина служит для извлечения гильзы из патронника

Закраина (тж. выступающая закраина, фланец, рант, шляпка) — кольцевой выступ у основания гильзы (например, гильза винтовочного патрона 7,62×54 R[1], патронов к револьверам и гладкоствольным ружьям) или нижняя часть гильзы, образованная кольцевой проточкой (например, в большинстве современных патронов к автоматическому оружию). Служит для извлечения (экстрагирования) гильзы из патронника.

Существуют также гильзы, закраина которых образована выступом и проточкой (например, гильза винтовочного патрона Арисака калибра 6,5 мм, револьверные патроны .38 Smith & Wesson Special, .357 Smith & Wesson Magnum и др.)[2].

Гильзы с выступающей закраиной в виде кольцевого выступа называются фланцевыми.

Гильзы с невыступающей закраиной, образованной кольцевой проточкой, называются бесфланцевыми.

Гильзы с частично выступающей закраиной, образованной выступом и проточкой, называются полуфланцевыми.

Диаметр закраины гильзы часто называют диаметром «фланца», в том числе и для бесфланцевых гильз. Сравнивая диаметр фланца с диаметром основания гильзы, можно легко определить тип закраины.

Термин «закраина» используется оружейниками, термин «фланец» применяется пользователями оружия, хотя фланец — это часть закраины, выступающая за основание гильзы.

Гильзы с выступающей закраиной (фланцевые)

7,62×54 мм R

Гильзы с выступающей закраиной используются в патронах к револьверам и гладкоствольному охотничьему оружию, кроме того, в патронах ко многим винтовкам, разработанным в XIX веке, таким как винтовка Мосина или британский Ли-Энфилд. Гильзы с закраиной помечаются буквой R (англ. rimmed — окаймлённый, с ободком). По соображениям больших затрат на производство и снабжение армии патронами нового образца, автоматическое оружие зачастую создавалось под ранее принятый на вооружение патрон (например, британский Брен). Коробчатые магазины под такие патроны громоздки, и к тому же заряжание магазина требует осторожности, поскольку закраина каждого верхнего патрона должны находиться впереди закраины нижнего патрона, иначе патрон будет заклинен в магазине.

Гильзы с невыступающей закраиной (бесфланцевые)

.223 Remington

У основания таких гильз имеется кольцевая проточка для экстракции гильз из патронника. Гильзы без выступа закраины (англ. rimless — без ободка) в настоящее время наиболее популярны для применения в автоматическом оружии, так как они обеспечивают плотное заполнение магазина и надёжность боепитания. Для использования в револьверах (например, Кольт M1917) патроны без выступающей закраины используются с пачками, либо патронная камора делается с уступом, в который упирается дульце гильзы.

Известны также гильзы без закраины (5-мм и 6,5-мм патроны к первым пистолетам Бергмана).

Гильзы с уменьшенной закраиной

.284 Winchester

Это гильзы с кольцевой проточкой и диаметром закраины меньшим, чем диаметр основания гильзы. (англ. RB - Rebated Rim (напр. 8×59 мм RB Breda) Такие гильзы встречаются редко (например, .50 Action Express для пистолета Desert Eagle). Это гильзы с увеличенным размером для использования более мощного патрона без замены боевой личинки в существующем затворе.

Гильзы с частично выступающей закраиной (полуфланцевые)

.38 Super

Закраина таких гильз образована кольцевым выступом и проточкой (англ. SR - Semi Rimmed — полуокаймлённый, с полуободком), например, гильзы к патронам .25ACP или .32ACP. Патроны с такими гильзами имеют тот же, хотя и менее выраженный, недостаток, что и патроны с выступающей закраиной: неправильно заряженный магазин может заклинить в самый неподходящий момент. Однако теоретически они пригодны для применения в револьверах.

Гильзы с пояском

.375 Н&Н Magnum
Гильза без закраины. Диаметр фланца равен диаметру основания (30-378 Weatherby Magnum)

Гильзы с пояском (англ. belted) появились в начале XX века когда был разработан мощный патрон .375 Н&Н Magnum. Гильза получила поверх основания особый поясок-утолщение, игравший двойную роль — во-первых несколько усиливалась прочность конструкции, а главное, поясок обеспечивал точную фиксацию гильзы в патроннике и надёжный накол капсюля. Диаметр фланца может быть равен диаметру пояска или же основания гильзы. Такие гильзы постепенно теряют былую популярность из-за популяризации патронов высокой мощности с гильзами без закраины.

Технологические особенности

Крепление пули в гильзе осуществляется путём тугой посадки (иногда с применением герметизирующего контурного лака — патроны 9×18 ПМ, 7,62-мм патрон обр. 1943 г.), завальцовки дульца гильзы (5,6-мм патроны), кернения гильзы (патроны 5,45×18 мм к ПСМ и 7,62×38 мм патрон к револьверу Нагана). Некоторые гильзы имеют кольцевую выемку-каннелюру, в которую упирается пуля (патроны 7,65×17 мм Браунинг).

Гильзы для патронов скорострельных пулемётов — например, гильза для патронов ШКАС — имеют утолщённые стенки, усиленное крепление капсюля в гнезде, введён двойной кольцевой обжим пули в дульце гильзы. На дне гильзы, помимо стандартных обозначений, ставилась буква «Ш».

Гильзы для холостых патронов имеют удлинённое (в сравнении с боевыми) дульце с обжатыми лепестками. Для герметичности дульце покрывают лаком (холостые 7,62 мм патроны обр. 1943 г.).

Учебный пистолетный патрон 9×19 мм

Гильзы учебных патронов зарядом не снаряжаются, капсюль инертный. Чтобы их можно было отличить от боевых даже наощупь, гильзы учебных патронов имеют продольные или кольцевые выемки. Например, на учебных 7,62-мм промежуточных патронах делаются четыре продольные выемки, на учебных 9-мм патронах ПМ — две кольцевые выемки.


Гильза, как правило, используется один раз. Однако стрелки-любители, охотники и спортсмены, которые часто сами снаряжают свои патроны, нередко используют металлические гильзы повторно, что даёт существенную экономию. При этом переснаряжению, как правило, подвергаются только латунные гильзы, как обладающие достаточной пластичностью и устойчивостью к усталости металла, чтобы безопасно перезаряжаться много раз. Стальные гильзы чрезмерно тверды, и при попытке переобжать пулю в дульце часто трескаются, а также требуют внутренней чистки и повторной антикоррозийной обработки, что сложно и дорого для кустарного производства. Редко применяющиеся алюминиевые гильзы подвержены усталостным дефектам уже после однократного использования, и потому переснаряжать их небезопасно.

Конструкторы в течение многих десятков лет предпринимают попытки радикально модернизировать патрон, чтобы уйти от проблем, связанных с разрывом и заеданием гильзы при экстрагировании, облегчить и удешевить боеприпасы. На сегодня до массового применения доведены только артиллерийские выстрелы с частично сгорающей гильзой (выстрелы к советским танковым пушкам У-5ТС, Д-68, Д-81ТМ[3][4]): корпус гильзы сгорает при выстреле вместе с пороховым зарядом, остается только металлический поддон. Также в стрелковом (особенно охотничьем) оружии достаточно широко применяются пластиковые гильзы, цельные, или составные, с металлическим донцем. Единственный доведённый до серийного производства безгильзовый патрон калибра 4,7×33 мм для винтовки G11 концерна Хеклер и Кох, массово не производился в связи с отказом от этой винтовки после окончания «Холодной войны».

См. также

Примечания

  1. Буква R в наименовании этого патрона и ему подобных означает не англ. russian — русский и не англ. rifle — винтовочный, а англ. rimmed — с закраиной.
  2. Современное стрелковое оружие — Боеприпасы — Пистолетные патроны — подробно. Дата обращения: 22 июля 2009. Архивировано из оригинала 8 мая 2012 года.
  3. Краткое описание устройства танка Т-64А. Дата обращения: 5 октября 2009. Архивировано 4 марта 2016 года.
  4. ОСНОВНОЙ БОЕКОМПЛЕКТ ТАНКА Т-62. Дата обращения: 5 октября 2009. Архивировано 3 февраля 2016 года.

Литература

  • Жук А. Б. Энциклопедия стрелкового оружия. М.: Воениздат, 1998. — ISBN 5-203-01849-9.

Ссылки